EasyManua.ls Logo

BCI Advisor - Page 45

BCI Advisor
58 pages
Print Icon
To Next Page IconTo Next Page
To Next Page IconTo Next Page
To Previous Page IconTo Previous Page
To Previous Page IconTo Previous Page
Loading...
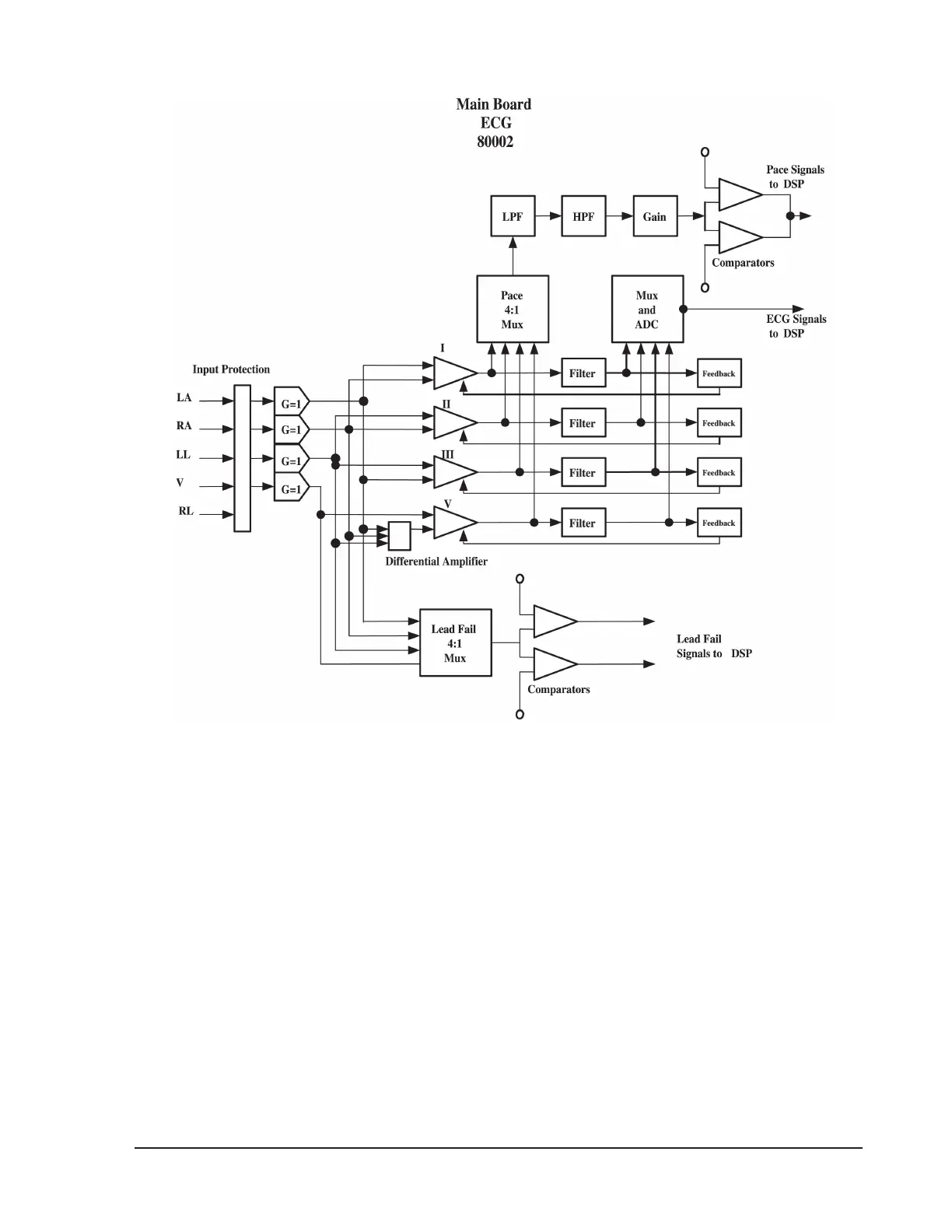
Chapter 4: Diagrams
Advisor
®
Service Manual 4-3

Table of Contents