EasyManua.ls Logo

BEKA BEKA-MAX - 11. Setting Navigator; Display States with Errors;Warnings; Normal Display States

Default Icon
40 pages
Print Icon
To Next Page IconTo Next Page
To Next Page IconTo Next Page
To Previous Page IconTo Previous Page
To Previous Page IconTo Previous Page
Loading...
...a product of BEKA
© BEKA 201 All rights reserved5!
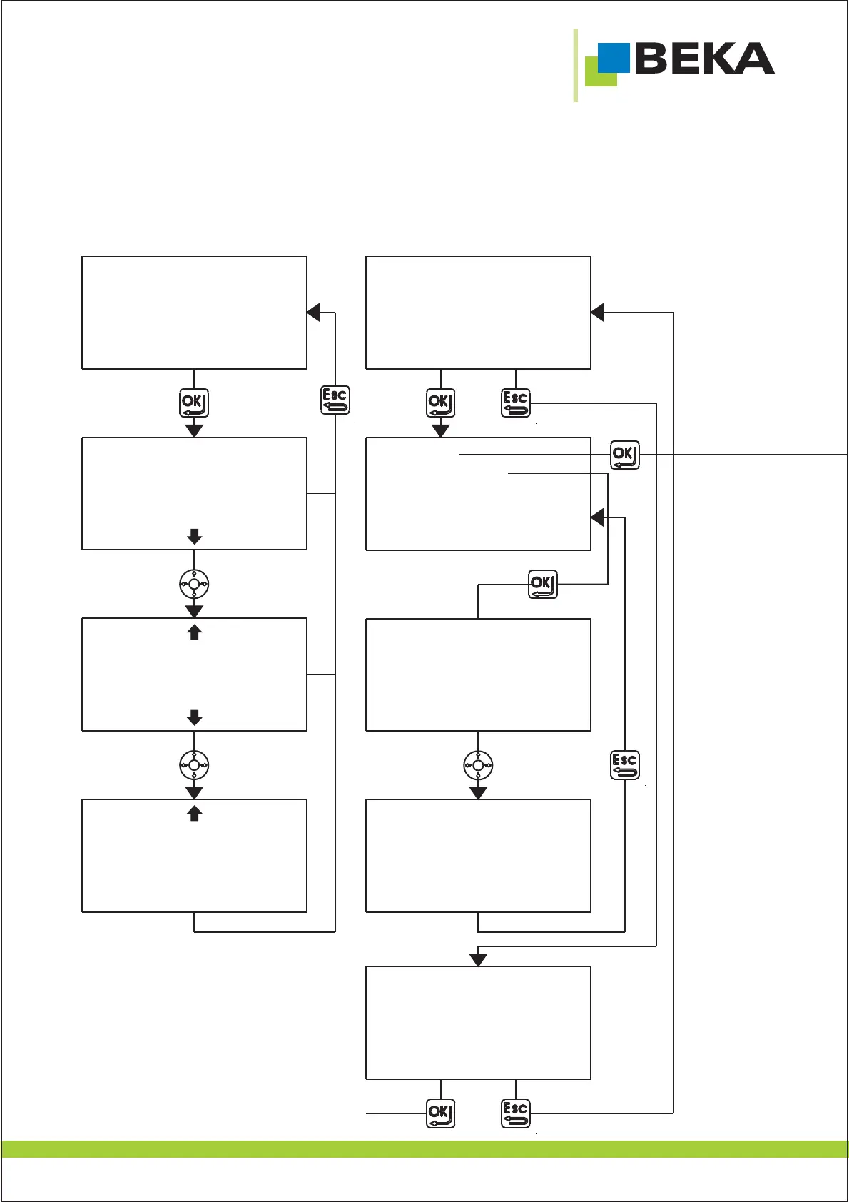
11. Setting navigator
Status display
e.g. progressive-lubrication system
with error / warning
ERROR:
empty level
WARNING:
under lubrication
ERROR:
lubr. clock pulse-
monitoring
progressive
state
cycle time
lubr. time
ERROR
WARNING
error
00:00:15
0:05:00
progressive
state
cycle time
lubr. time
lubricate
00:00:15
0:05:00
settinngs
error messages
*
State display
e.g. progressive-lubrication system
without error / warning
message
Fehler kommt
no pressurization
during monitor. time
ate:d
ime:t
107.1/178
20.01.14
10:41:24
message
Fehler kommt
empty level
date:
time:
107.0/178
20.01.14
10:41:24
intermediate lubr.
OK ESC
Intermediate lubricaiton
is initiated
35

Related product manuals