EasyManua.ls Logo

BEKA BEKA-MAX - Info, Monitoring, and Extended Functions Access; Switch-on, Lubrication, and Relay Settings

Default Icon
40 pages
Print Icon
To Next Page IconTo Next Page
To Next Page IconTo Next Page
To Previous Page IconTo Previous Page
To Previous Page IconTo Previous Page
Loading...
© BEKA 201 All rights reserved5!
...a product of BEKA
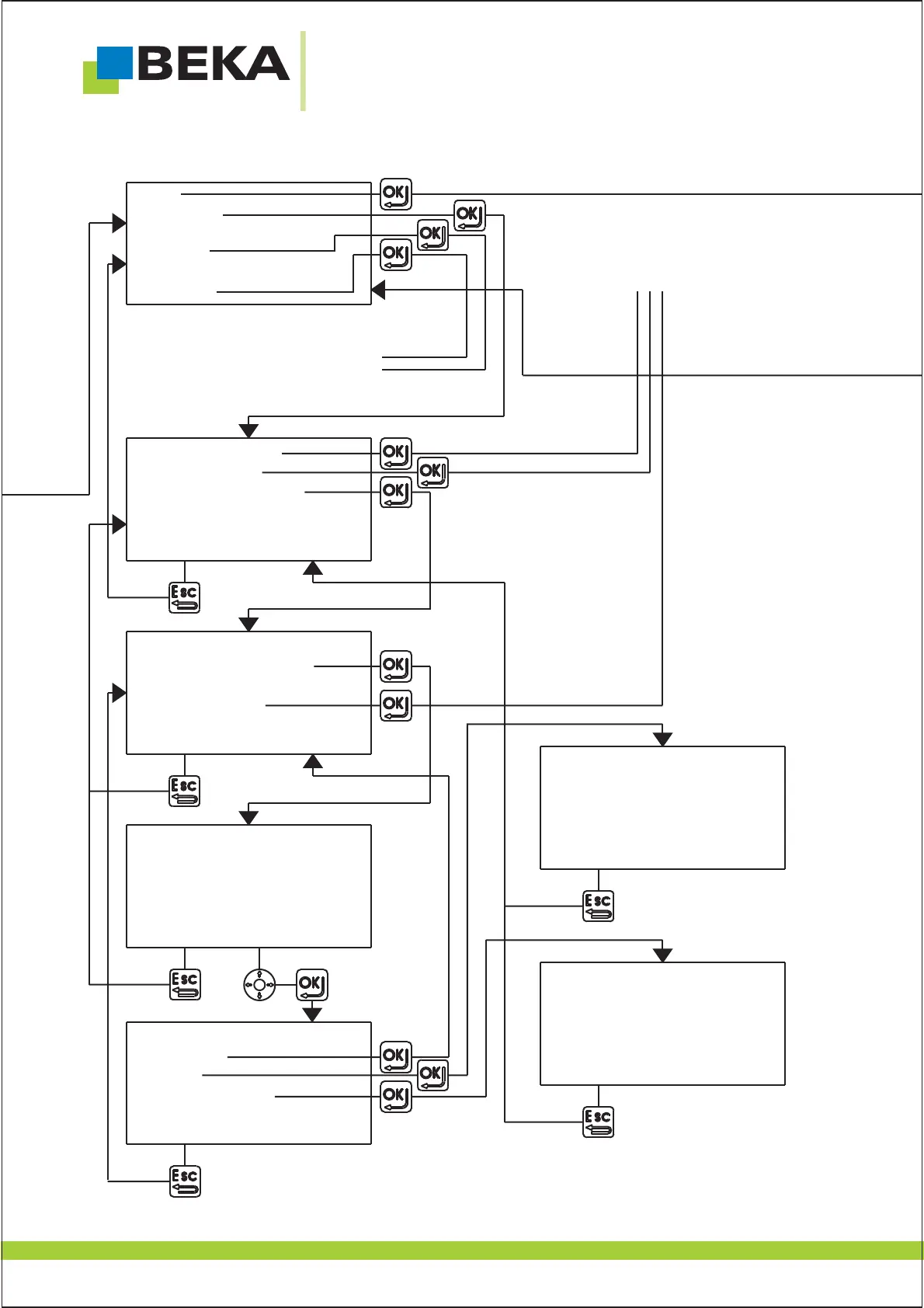
info
common
progressive
sections
single line system
dual line system
signals
*
see
BAL GIGA-multitronic progressive
BAL GIGA-multitronic sectional
BAL GIGA-multitronic single line
BAL GIGA-multitronic dual line
monitoring times
fill. lvl monitor.
extended functions
*
see
BAL GIGA-multitronic progressive
BAL GIGA-multitronic sectional
BAL GIGA-multitronic single line
BAL GIGA-multitronic dual line
*
extended functions
switch-on behaviour
lubrication
relay function
OK signal
1 2 3
4 5 6
7 8 9
0
password?
0
switch-on behaviour
lubrication
breake
saved condition
*
*
extended functions
switch-on behaviour
break
relay function
OK signal
*
extended functions
switch-on behaviour
saved condition
relay function
OK signal
36

Related product manuals