EasyManua.ls Logo

BEKA BEKA-MAX - Control, Display, and Language Settings

Default Icon
40 pages
Print Icon
To Next Page IconTo Next Page
To Next Page IconTo Next Page
To Previous Page IconTo Previous Page
To Previous Page IconTo Previous Page
Loading...
© BEKA 201 All rights reserved5!
...a product of BEKA
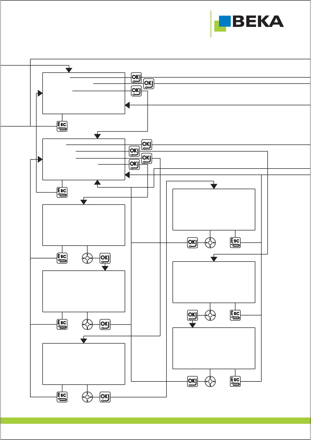
*
clock / calendar
display
control
*
light
contrast
language
change password
1 2 3
4 5 6
7 8 9
0
password?
0
change password
XXXXXX
555556
1 2 3
4 5 6
7 8 9
0
password?
0
*
german
english
contrast
5
X
1 2 3
4 5 6
7 8 9
0
password?
0
37

Related product manuals