EasyManua.ls Logo

Bender ISOMETER IR423-D4 - Wiring and Application Examples; Wiring Diagram; Application Examples with Overvoltage Release or Contactor

Bender ISOMETER IR423-D4
12 pages
Print Icon
To Next Page IconTo Next Page
To Next Page IconTo Next Page
To Previous Page IconTo Previous Page
To Previous Page IconTo Previous Page
Loading...
6 D00038_IR423-D4_06_M_DEEN.pdf/01.2024
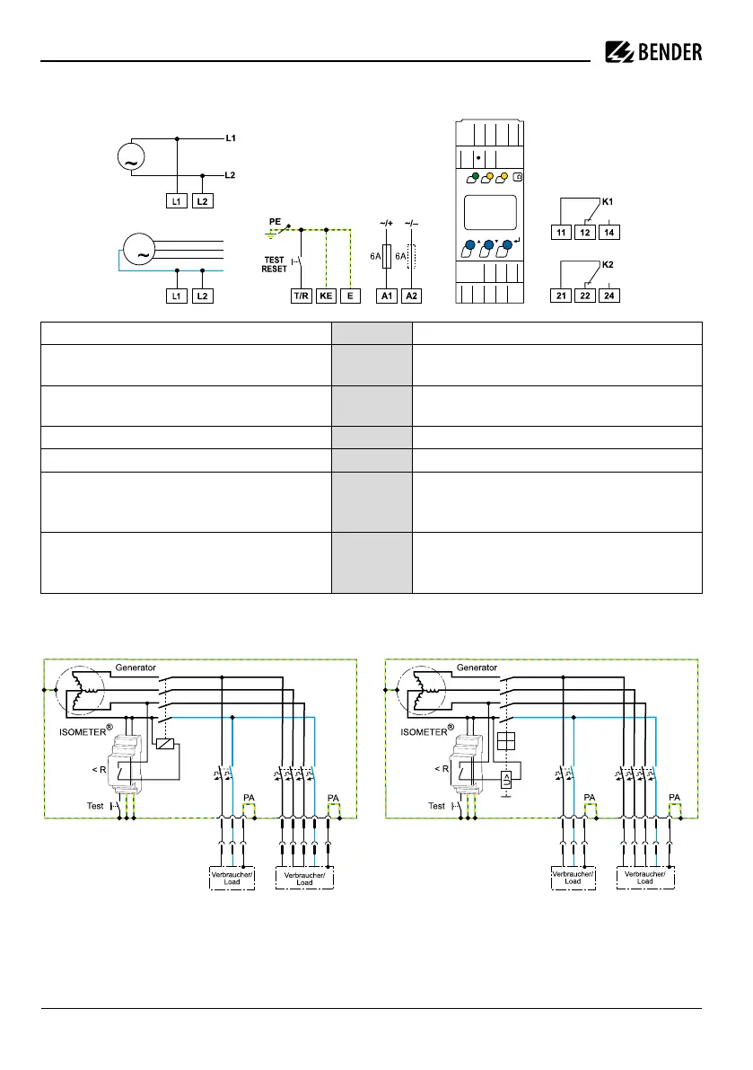
Wiring diagramAnschlussschaltbild
U
S
L1
L2
L3
N
3
G
U
n
3AC 400 V
U
n
AC 230V
G
ON
AL1 AL2
k
T R
MENU
11
12
14
2221T/R 24
L1
L2
E KE A2
A1
Versorgungsspannung U
s
über Schmelzsicherung A1, A2 Supply voltage U
s
via fuse
Getrennter Anschluss von
E und KE an PE
E, KE Separate connection of E, KE to PE
Anschluss des zu über wachenden AC-Systems:
AC: Klemmen L1, L2 mit Leiter L1, L2 verbinden
L1, L2 Connection of the AC system to be monitored:
AC: connect terminals L1, L2 to conductor L1, L2.
Alarmrelais K1: Alarm 1 11, 12, 14 Alarm relay “K1”: Alarm 1
Alarmrelais K2: Alarm 2 21, 22, 23 Alarm relay “K2”: Alarm 2
Kombinierte Test- und Reset-Taste T/R“:
kurzzeitiges Drücken langzeitiges Drücken
(< 1,5 s) = RESET (> 1,5 s) = TEST
T/R Combined test and reset button T/R”:
short-time pressing long-time pressing
(< 1.5 s) = RESET (> 1.5 s) = TEST
Eine Sicherung (6 A ink) als Leitungsschutz gemäß
DINVDE0100-430/IEC 60364-4-43 empfohlen. Bei Versorgung
aus einem IT-System müssen beide Leitungen abgesichert sein.
Line protection by a fuse (6 A, quick) in accordance with
IEC60364-4-43 recommended. In case of supply from an IT
system, both lines have to be protected by a fuse.
Anwendungsbeispiele mit Überspannungsauslöser
oder Schütz
Application examples with overvoltage release or
contactor
Einstellung K1/K2 für Überspannungsauslöser:
Arbeitsstrom-Betrieb (n.o.)
Einstellung Fehlerspeicher: OFF
Einstellung K1/K2 für Schütz: Ruhestrom-Betrieb (n.c.)
Einstellung Fehlerspeicher: on
Setting K1/2 for the overvoltage release:
N/O operation
Setting fault memory: OFF
Setting K1/2 for the contactor: N/C operation
Setting fault memory: on

Related product manuals