EasyManua.ls Logo

Benford 5000 - Page 112

Default Icon
133 pages
Print Icon
To Next Page IconTo Next Page
To Next Page IconTo Next Page
To Previous Page IconTo Previous Page
To Previous Page IconTo Previous Page
Loading...
June 2004 - 9507ED/5
4-19
2 to 9 Tonne Dumper Instruction Manual
11
ROL
L
9
8
7
6
5
4
3
2
1
R
L
R
10
12
13
16
1514O
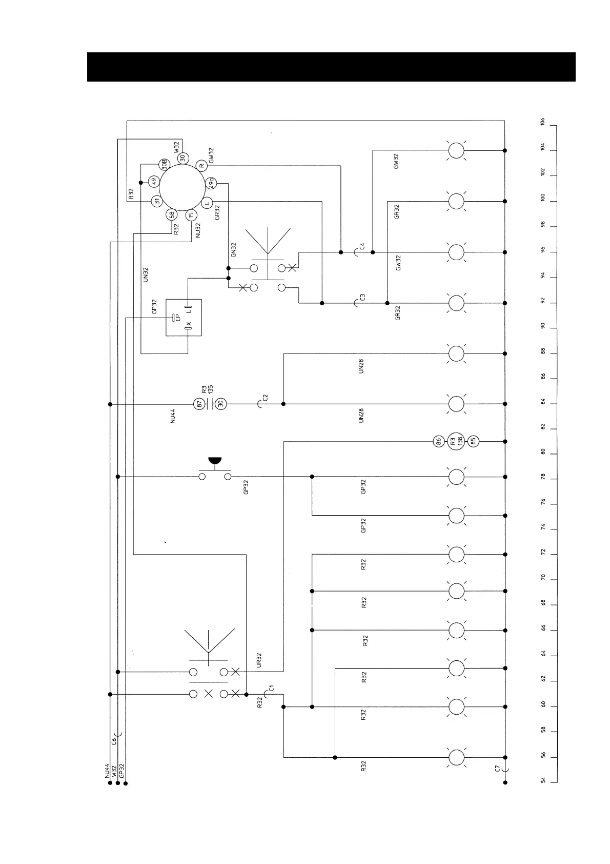
Electric Circuit - 2 and 3 Tonne Lister With Lights

Table of Contents

Related product manuals