EasyManua.ls Logo

Benford 5000 - Page 114

Default Icon
133 pages
Print Icon
To Next Page IconTo Next Page
To Next Page IconTo Next Page
To Previous Page IconTo Previous Page
To Previous Page IconTo Previous Page
Loading...
June 2004 - 9507ED/5
4-21
2 to 9 Tonne Dumper Instruction Manual
14
13
12
11
10
9
8
7
6
5
3
2
1
4
15
16
17
18
19
20
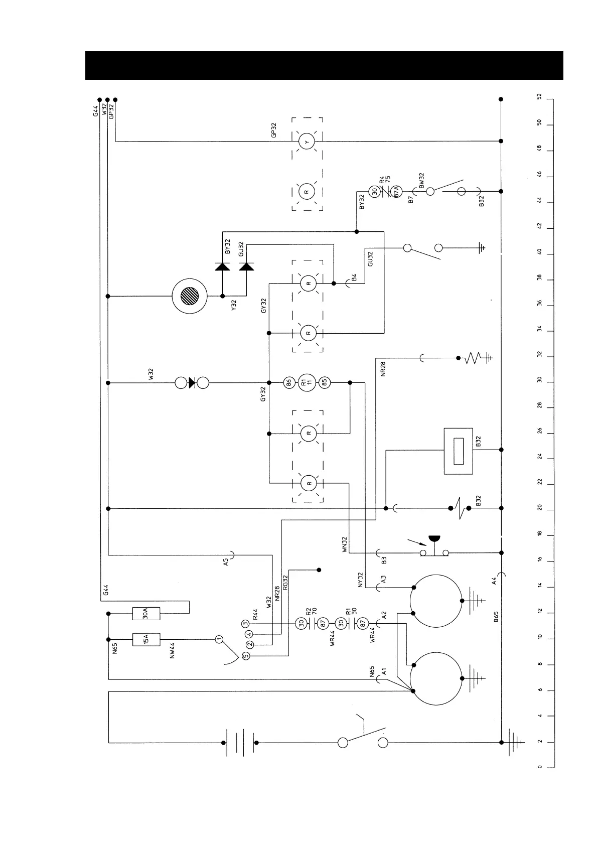
Electric Circuit - 4, 5, 6, 7, & 9 Tonne Perkins

Table of Contents

Related product manuals