EasyManua.ls Logo

Benford 5000 - Page 124

Default Icon
133 pages
Print Icon
To Next Page IconTo Next Page
To Next Page IconTo Next Page
To Previous Page IconTo Previous Page
To Previous Page IconTo Previous Page
Loading...
June 2004 - 9507ED/5
4-31
2 to 9 Tonne Dumper Instruction Manual
1
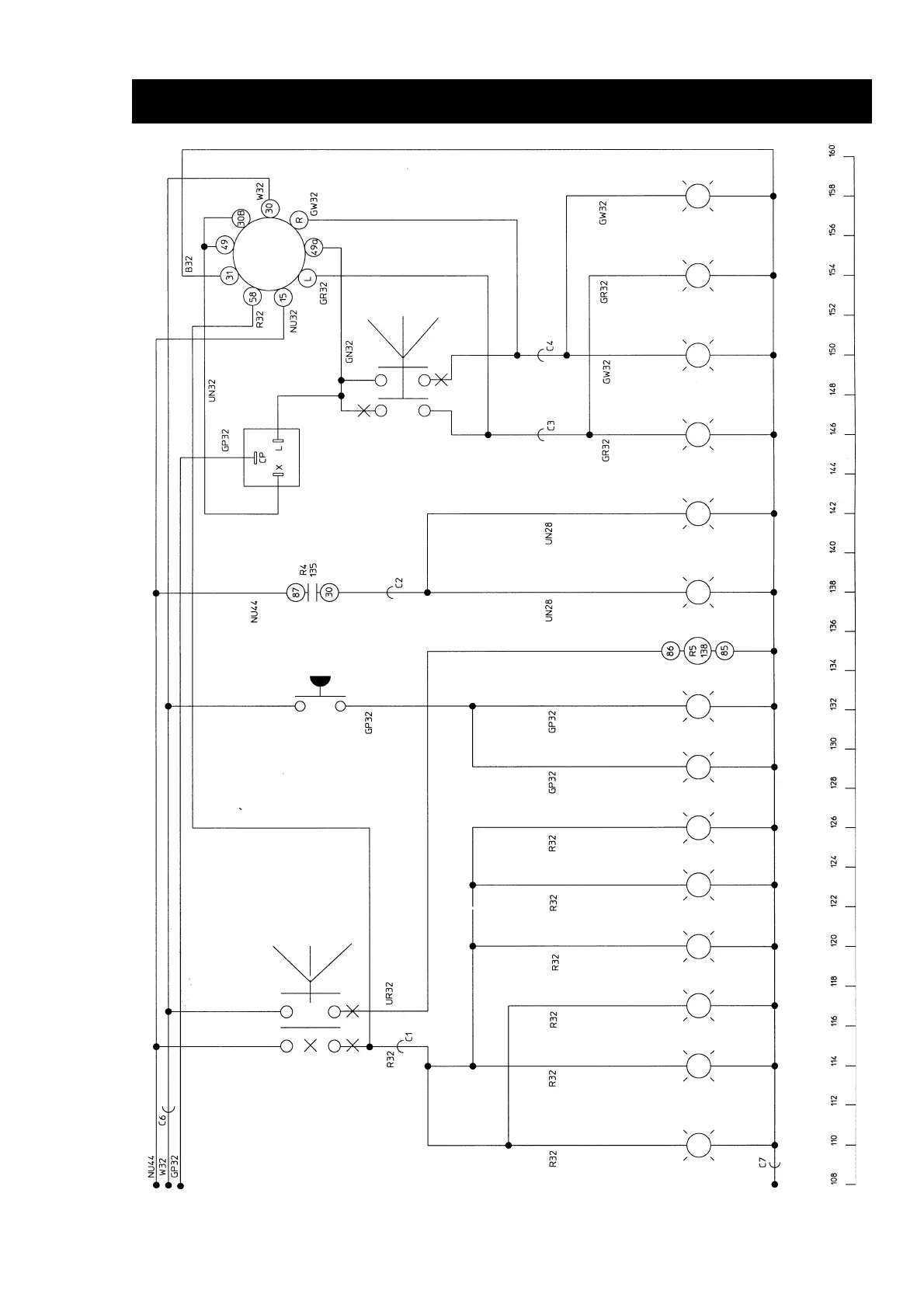
Electrical Circuit - 5 and 6 Tonne Deutz
2
8
9
5
6
4
3
10
7
11
12
13
O1415
16
ROL
R
L
R
L

Table of Contents

Related product manuals