EasyManua.ls Logo

BenQ MS527E - Connection

BenQ MS527E
75 pages
Print Icon
To Next Page IconTo Next Page
To Next Page IconTo Next Page
To Previous Page IconTo Previous Page
To Previous Page IconTo Previous Page
Loading...
Connection20
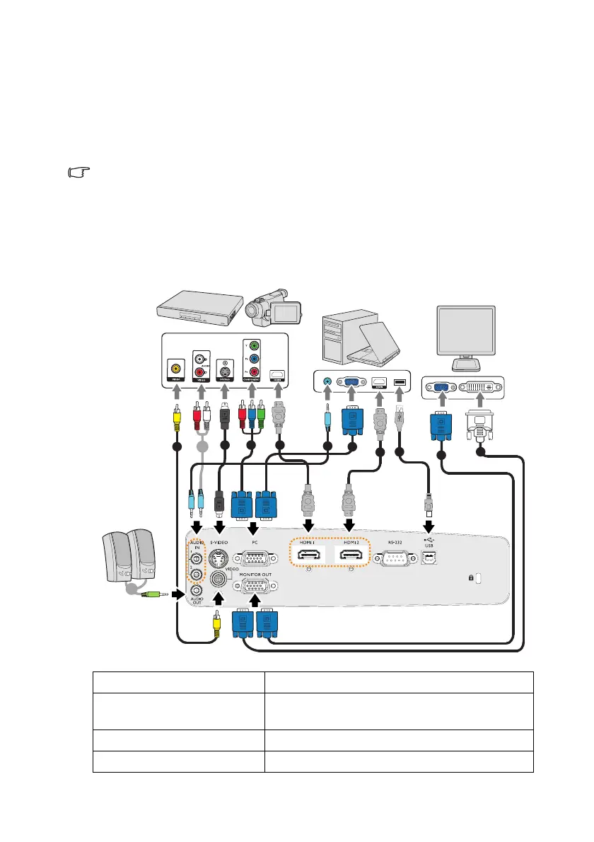
Connection
When connecting a signal source to the projector, be sure to:
1. Turn all equipment off before making any connections.
2. Use the correct signal cables for each source.
3. Ensure the cables are firmly inserted.
In the connections shown below, some cables may not be included with
the projector (see "Shipping contents" on page 8). They are
commercially available from electronics stores.
For detailed connection methods, see pages 21-25.
For the combination of an active audio in source, see the marks in the
illustration.
1. Video cable 2. Audio Cable
3. S-Video cable 4. Component Video to VGA (DSub) adapter
cable
5. HDMI cable 6. VGA cable
7. USB Cable 8. VGA to DVI-A cable
1
1
2
2
2
1
3 4 5
2
2
2
6
5
7
6
8

Related product manuals