EasyManua.ls Logo

Berchtold CHROMOPHARE D 650plus - 14.11-14.14 CHROMOPHARE D 650 plus;650 plus, D 650;650 Wiring Diagrams

Berchtold CHROMOPHARE D 650plus
98 pages
Print Icon
To Next Page IconTo Next Page
To Next Page IconTo Next Page
To Previous Page IconTo Previous Page
To Previous Page IconTo Previous Page
Loading...
82
CHROMOPHARE® D 650plus, D 530plus, D 500plus, D 650, D 530, D 500 Service Manual (E)
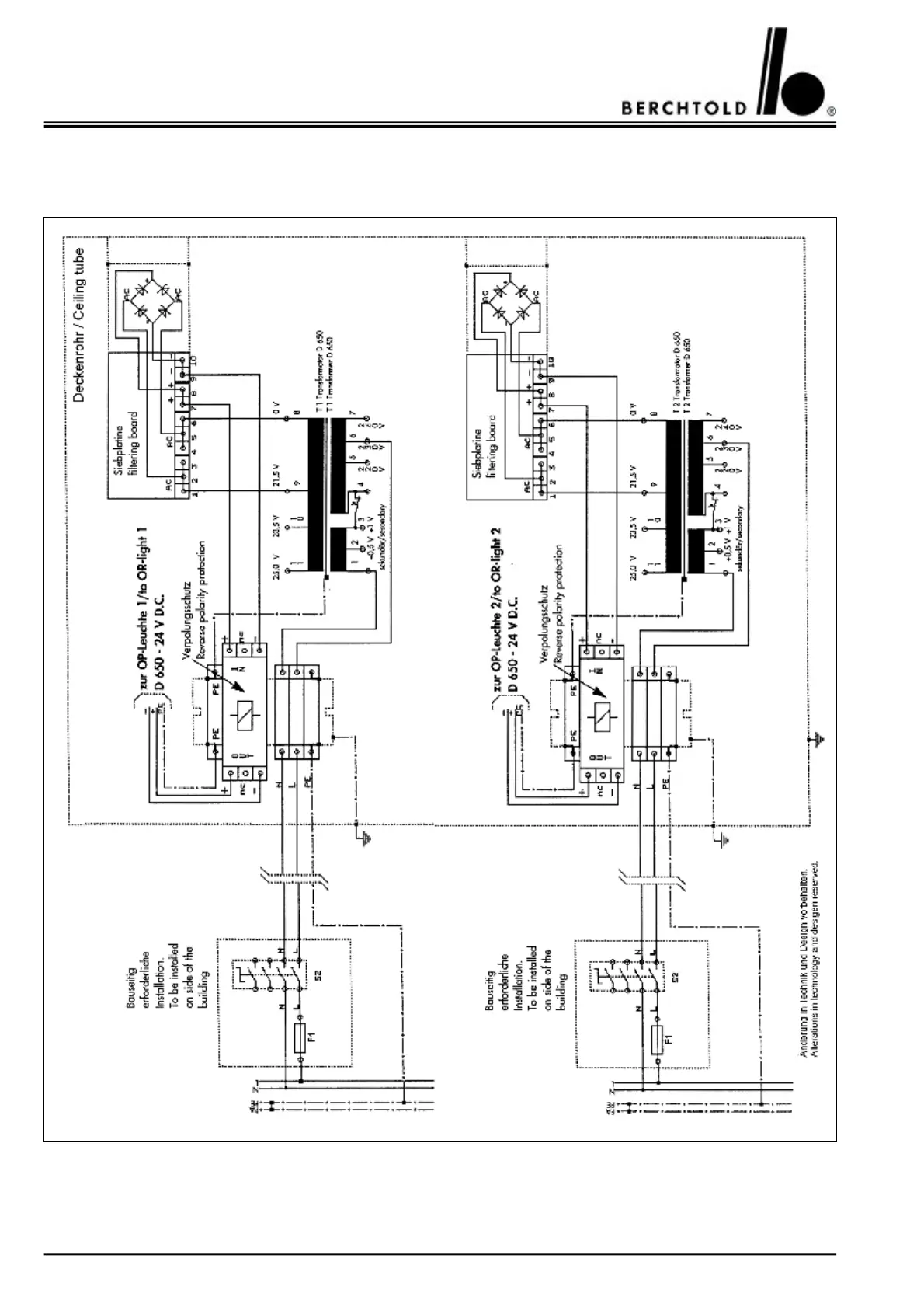
14.11CHROMOPHARE® D 650plus/650plus, D 650/650
Transformers mounted on the ceiling tube

Table of Contents

Related product manuals