EasyManua.ls Logo

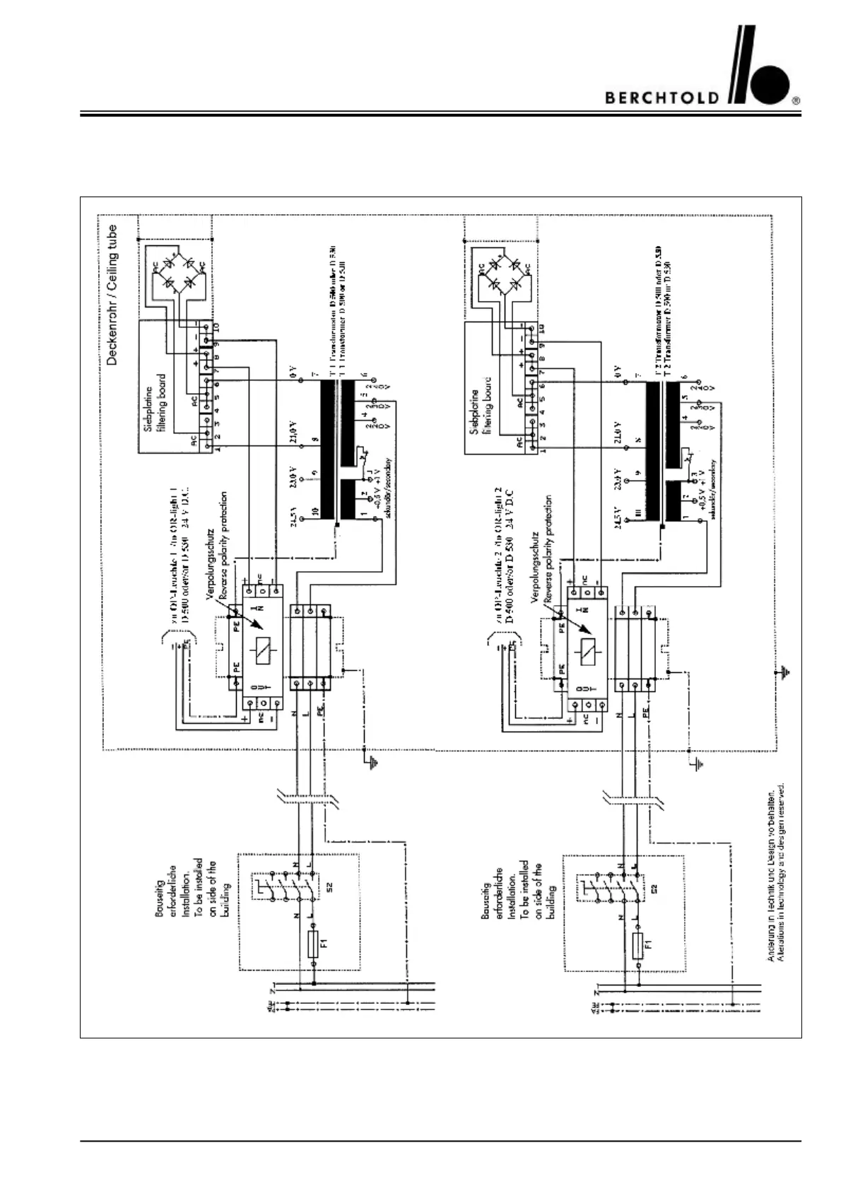
Berchtold CHROMOPHARE D 650plus - 14.20-14.23 CHROMOPHARE D 530 plus;530 plus, D 500 plus;500 plus, D 530;530, D 500;500 Wiring Diagrams

Berchtold CHROMOPHARE D 650plus
98 pages
Print Icon
To Next Page IconTo Next Page
To Next Page IconTo Next Page
To Previous Page IconTo Previous Page
To Previous Page IconTo Previous Page
Loading...
91
CHROMOPHARE® D 650plus, D 530plus, D 500plus, D 650, D 530, D 500 Service Manual (E)
14.20CHROMOPHARE® D 530plus/530plus, D 500plus/500plus, D 530/530, D 500/500
Transformers mounted on the ceiling tube

Table of Contents

Related product manuals