EasyManua.ls Logo

Bergstrom NITE Phoenix - Internal Wiring Diagram

Bergstrom NITE Phoenix
67 pages
Print Icon
To Next Page IconTo Next Page
To Next Page IconTo Next Page
To Previous Page IconTo Previous Page
To Previous Page IconTo Previous Page
Loading...
5-2
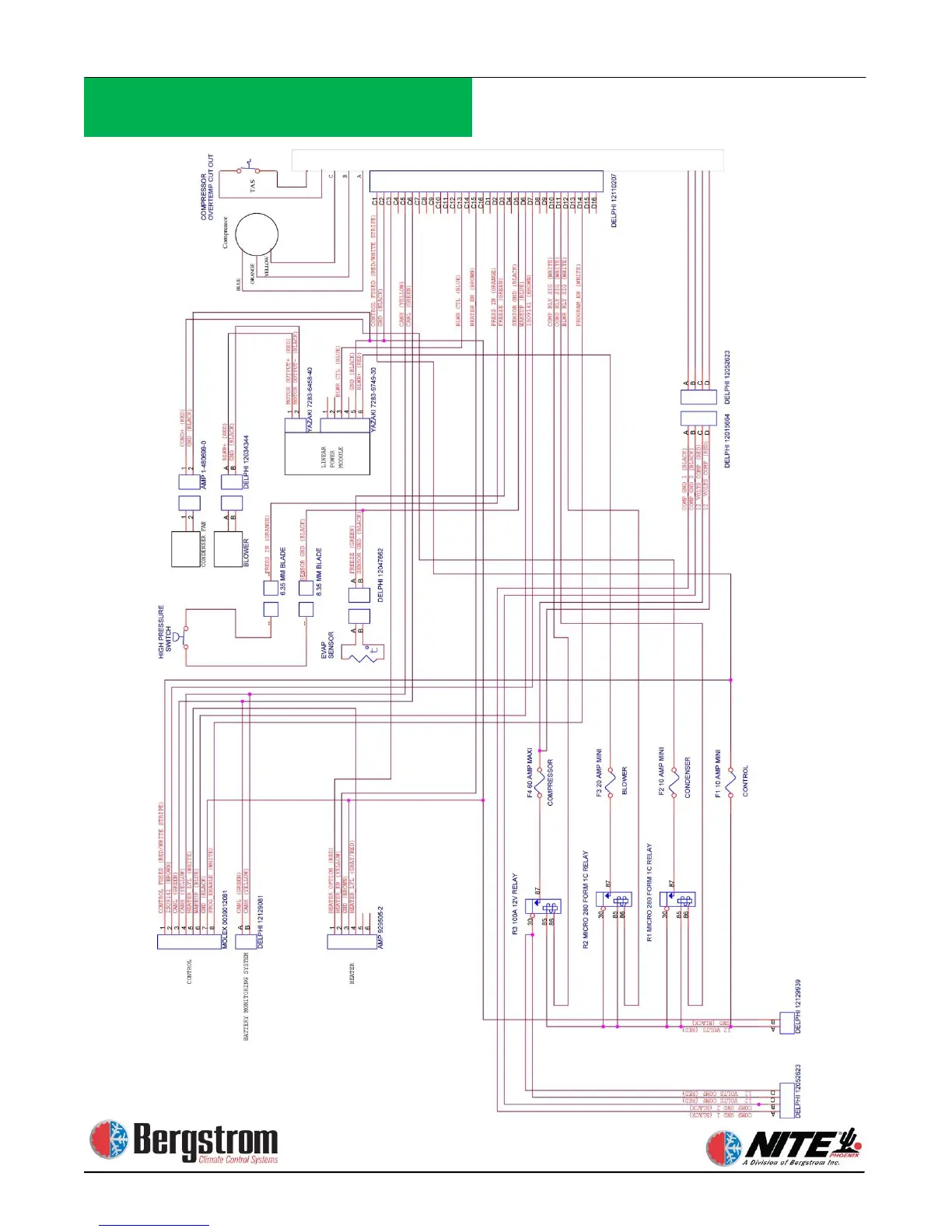
Internal Wiring Diagram
Use for units manufactured after 2/08/2012

Related product manuals