EasyManua.ls Logo

BIRO F1000N - Wiring Diagram

Default Icon
32 pages
Print Icon
To Next Page IconTo Next Page
To Next Page IconTo Next Page
To Previous Page IconTo Previous Page
To Previous Page IconTo Previous Page
Loading...
27
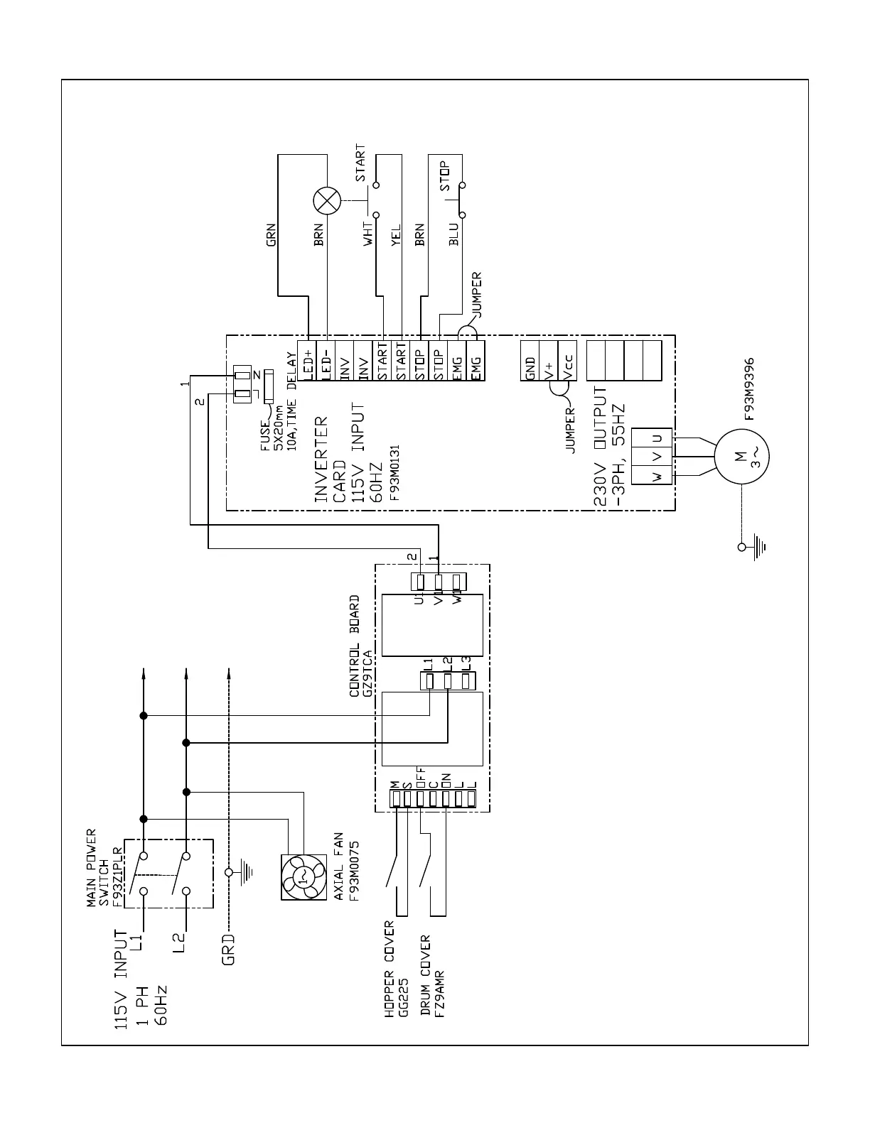
WIRING DIAGRAM

Related product manuals