EasyManua.ls Logo

Bosch EV2000 Series - Câblage de Service

Bosch EV2000 Series
39 pages
Print Icon
To Next Page IconTo Next Page
To Next Page IconTo Next Page
To Previous Page IconTo Previous Page
To Previous Page IconTo Previous Page
Loading...
579604 | RÉV. C | JUIN 2020
Bosch Automotive Service Solutions Inc.
fr
| 2 |
EV2000 série DC Wallbox Chargeur Manuel d'installation et d‘utilisation
` Ce document contient des instructions concernant la
borne de charge DC Wallbox, et ne doit être utilisé pour
aucun autre produit. Avant d’installer ou d’utiliser ce
produit vous devez lire attentivement ce manuel, et
consulter un entrepreneur ou un électricien agréé ou un
installateur expert pour vous assurer de la conformité
aux règlements locaux sur la construction et aux normes
locales de sécurité.
2.3 Câblage de service
2.3.1 Mise à la terre
Raccordez toujours à la terre le neutre du service. Si
l’installation électrique est dépourvue de connexion de terre,
un piquet de terre devra être installé à proximité. Le piquet
de terre doit être raccordé à la barre de terre du tableau
électrique principal, et le neutre doit être mis à la terre à cet
endroit.
2.3.2 240 V monophasé
AVERTISSEMENT! Si le DC Wallbox est un
appareil monophasé, ne connectez pas les
trois phases d’une installation triphasée.
AVERTISSEMENT! La tension doit être de
120 V entre chacune des phases utilisées et
le neutre. Le neutre ne doit être relié à la
terre qu’en un seul point, normalement au
tableau des disjoncteurs.
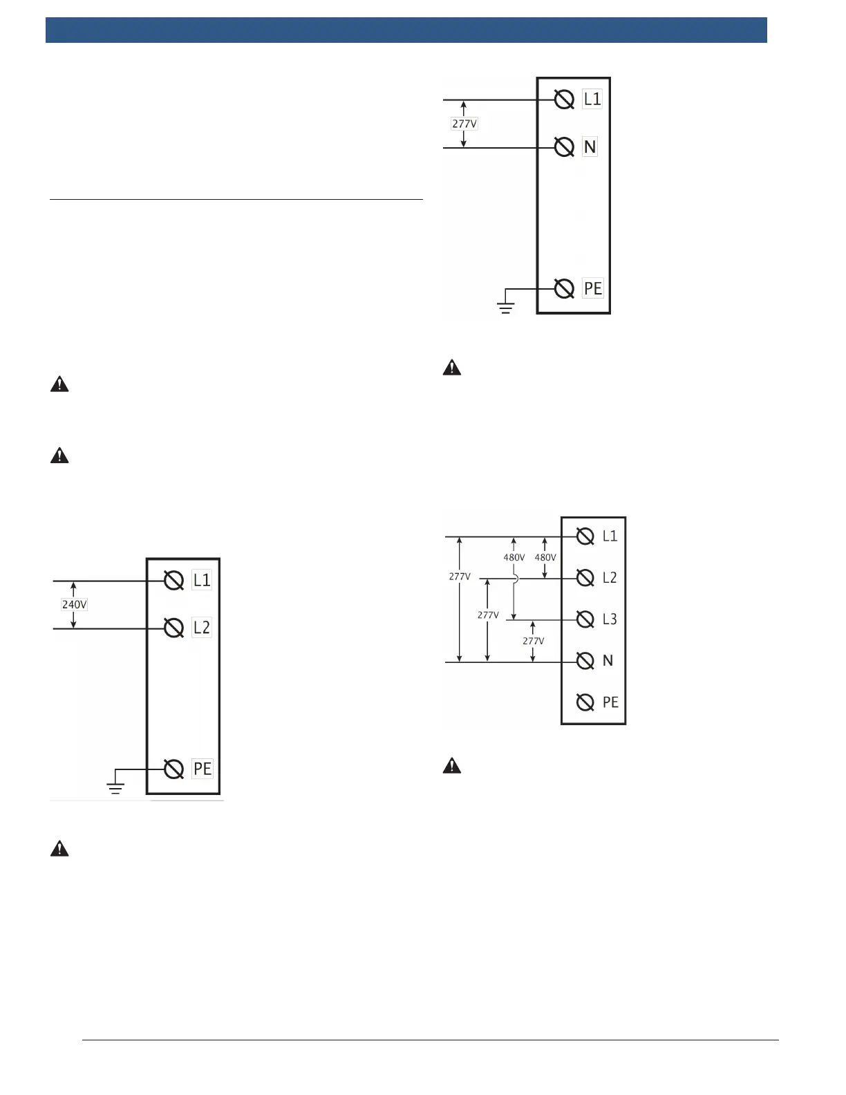
2.3.3 277 V monophasé
AVERTISSEMENT! L’alimentation en 277 V
provient d’un réseau à montage en étoile, et
la borne de charge DC Wallbox peut être
connectée à L1 et N, à L2 et N ou à L3 et N.
Le neutre ne doit être relié à la terre qu’en
un seul point, normalement au tableau des
disjoncteurs.
2.3.4 480 V triphasé
AVERTISSEMENT! L’alimentation en 480
V provient d’un réseau électrique à
montage en étoile, et la borne DC
Wallbox peut être connectée à L1, L2 ou
L3 et au neutre. Le neutre ne doit être
relié à la terre qu’en un seul point,
normalement au tableau des
disjoncteurs.
2.3.5 208 V triphasé
AVERTISSEMENT! Le diagramme illustre
la connexion du chargeur DC à Phase
1, Phase 2 et Phase 3. La connexion au
neutre n’est pas nécessaire.

Related product manuals