EasyManua.ls Logo

Bosch MAP 5000 - Page 32

Bosch MAP 5000
88 pages
Print Icon
To Next Page IconTo Next Page
To Next Page IconTo Next Page
To Previous Page IconTo Previous Page
To Previous Page IconTo Previous Page
Loading...
32 en | Installation MAP 5000
2018.08 | 23 | F.01U.168.332 Installation manual Bosch Sicherheitssysteme GmbH
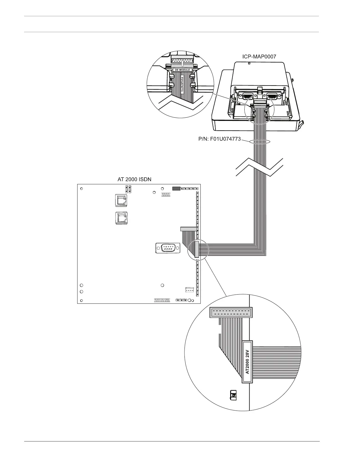
AT 2000 ISDN to DE module connections

Table of Contents

Related product manuals