EasyManua.ls Logo

Bosch MAP 5000 - Page 48

Bosch MAP 5000
88 pages
Print Icon
To Next Page IconTo Next Page
To Next Page IconTo Next Page
To Previous Page IconTo Previous Page
To Previous Page IconTo Previous Page
Loading...
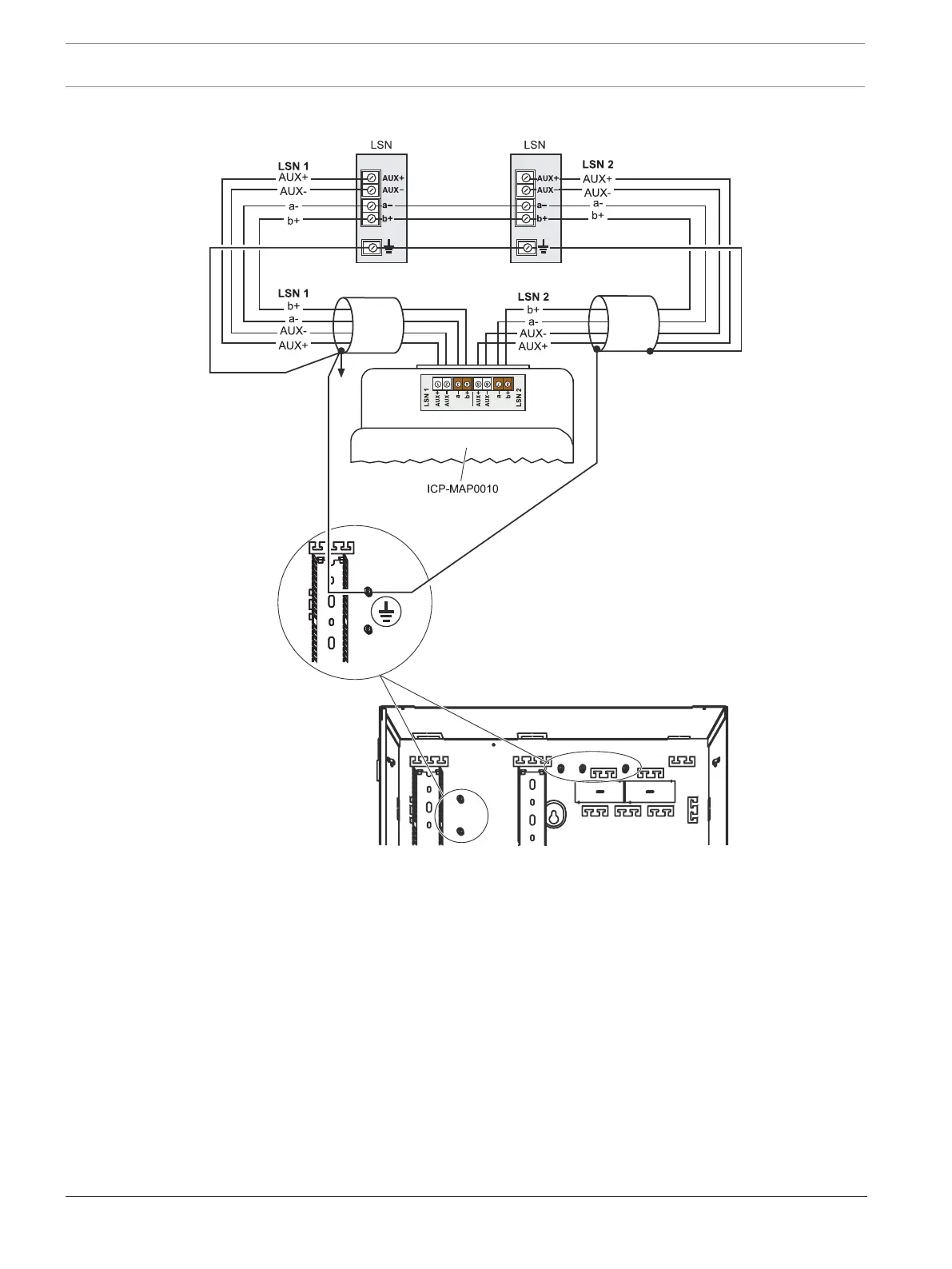
48 en | Connections MAP 5000
2018.08 | 23 | F.01U.168.332 Installation manual Bosch Sicherheitssysteme GmbH
LSN gateway loop configuration
ICP-MAP0111

Table of Contents

Related product manuals