EasyManua.ls Logo

Bosch Rexroth IndraDrive M - Central Selection at KCU

Bosch Rexroth IndraDrive M
153 pages
Print Icon
To Next Page IconTo Next Page
To Next Page IconTo Next Page
To Previous Page IconTo Previous Page
To Previous Page IconTo Previous Page
Loading...
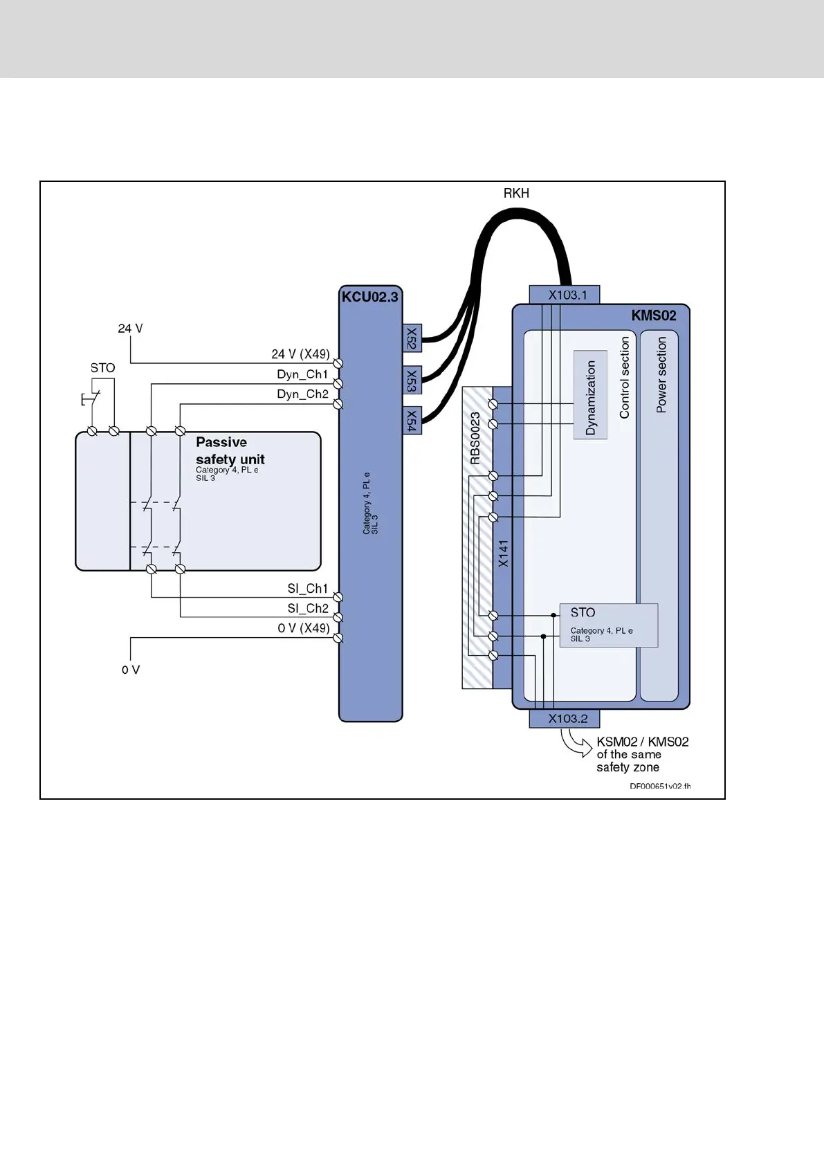
7.2.2 Central selection at KCU
Selection via the passive safety unit
Fig. 7-10: KCU02 with dual-channel wiring and passive safety unit
Selection via the active safety unit
Plus-plus-switching safety unit
When the safety function is selected by means of a plus-plus-switching safety
unit, the following errors must be detected by the OSSD outputs:
Short circuit of the selection signals with 24 V
Short circuit between the two selection signals
Bosch Rexroth AG DOK-INDRV*-SI3-**VRS**-AP06-EN-P
Rexroth IndraDrive Integrated Safety Technology "Safe Torque Off" (as of MPx-16)
68/149
Examples of application
LSA Control S.L. www.lsa-control.com comercial@lsa-control.com (+34) 960 62 43 01

Table of Contents

Other manuals for Bosch Rexroth IndraDrive M

Related product manuals