EasyManua.ls Logo

Bosch Rexroth IndraDrive M - Zone Setup

Bosch Rexroth IndraDrive M
153 pages
Print Icon
To Next Page IconTo Next Page
To Next Page IconTo Next Page
To Previous Page IconTo Previous Page
To Previous Page IconTo Previous Page
Loading...
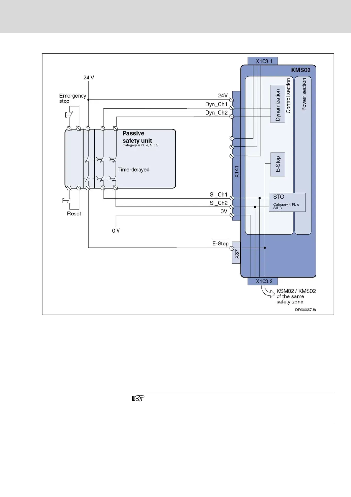
Fig. 7-17: SS1 function via KMS02 with dual-channel wiring and passive safety
unit
7.2.4 Zone setup
The figure below shows an exemplary zone setup with two safety zones.
Selection in safety zone 1 is made via a passive safety unit at KCU02. The E-
Stop function of the drive was used to extend the STO function to obtain the
"Safe stop 1 (Emergency stop)" function. Drive 1 features L3 option;
connector RBS0023 is plugged into X141 for transmitting the selection
signals.
Drive 2 does not feature L3 option. Connector RBS0023 at X141
is not required here because,
in the case of devices of the
KMS02 / KSM02 type without L3 option, X103.1 internally
transmits the selection signals to X103.2.
Selection in safety zone 2 is
made via a passive safety unit at KMS02 (drive
3). The E-Stop function of the drive was used here as well to extend the STO
DOK-INDRV*-SI3-**VRS**-AP06-EN-P
Rexroth IndraDrive Integrated Safety Technology "Safe Torque Off" (as of MPx-16)
Bosch Rexroth AG 75/149
Examples of application
LSA Control S.L. www.lsa-control.com comercial@lsa-control.com (+34) 960 62 43 01

Table of Contents

Other manuals for Bosch Rexroth IndraDrive M

Related product manuals