EasyManua.ls Logo

Bosch Rexroth IndraDrive M - Page 73

Bosch Rexroth IndraDrive M
153 pages
Print Icon
To Next Page IconTo Next Page
To Next Page IconTo Next Page
To Previous Page IconTo Previous Page
To Previous Page IconTo Previous Page
Loading...
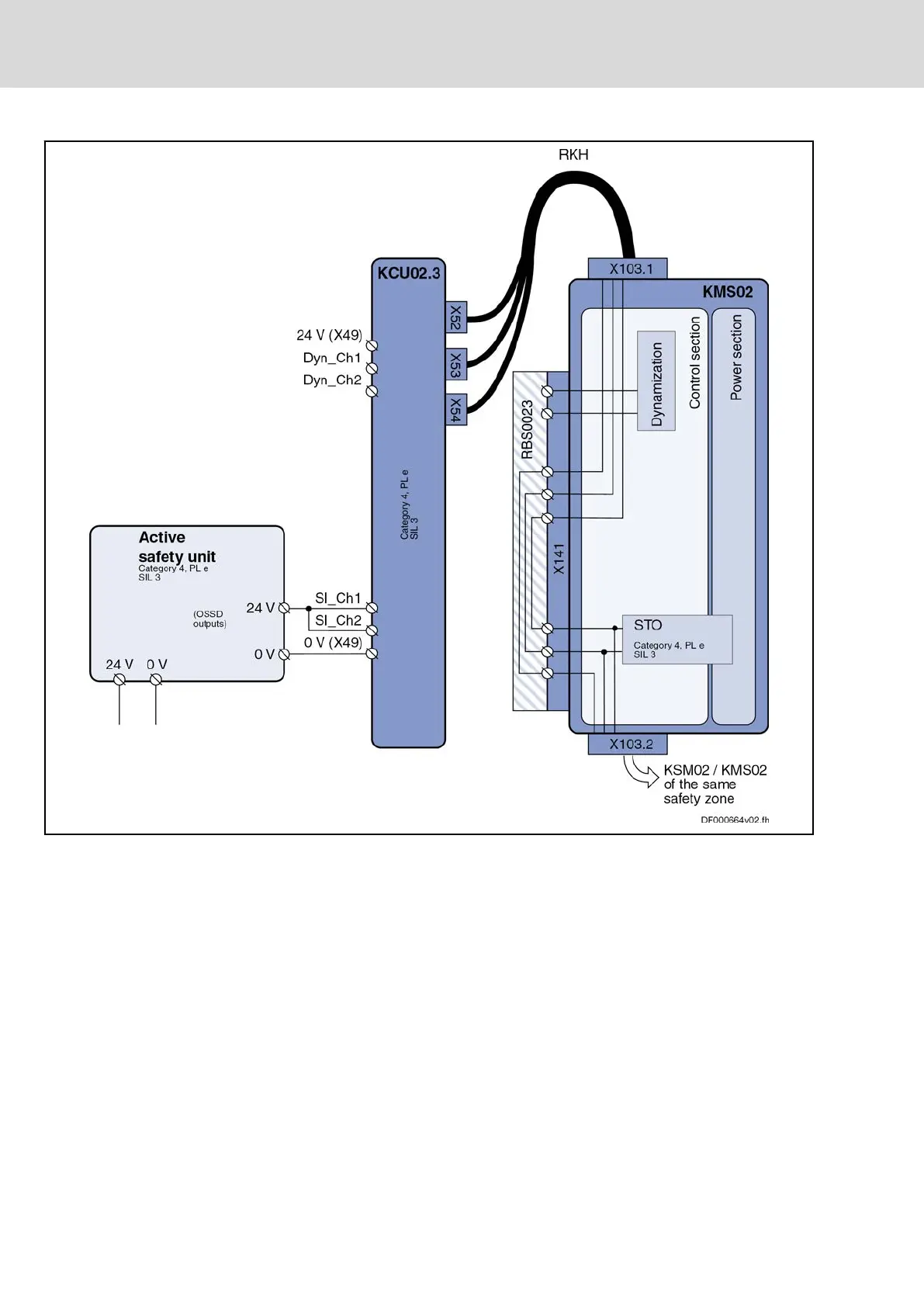
Fig. 7-12: KCU02 with active safety unit (plus-minus-switching outputs)
Bosch Rexroth AG DOK-INDRV*-SI3-**VRS**-AP06-EN-P
Rexroth IndraDrive Integrated Safety Technology "Safe Torque Off" (as of MPx-16)
70/149
Examples of application
LSA Control S.L. www.lsa-control.com comercial@lsa-control.com (+34) 960 62 43 01

Table of Contents

Other manuals for Bosch Rexroth IndraDrive M

Related product manuals