EasyManua.ls Logo

Bosch SM036 - Page 71

Bosch SM036
100 pages
Print Icon
To Next Page IconTo Next Page
To Next Page IconTo Next Page
To Previous Page IconTo Previous Page
To Previous Page IconTo Previous Page
Loading...
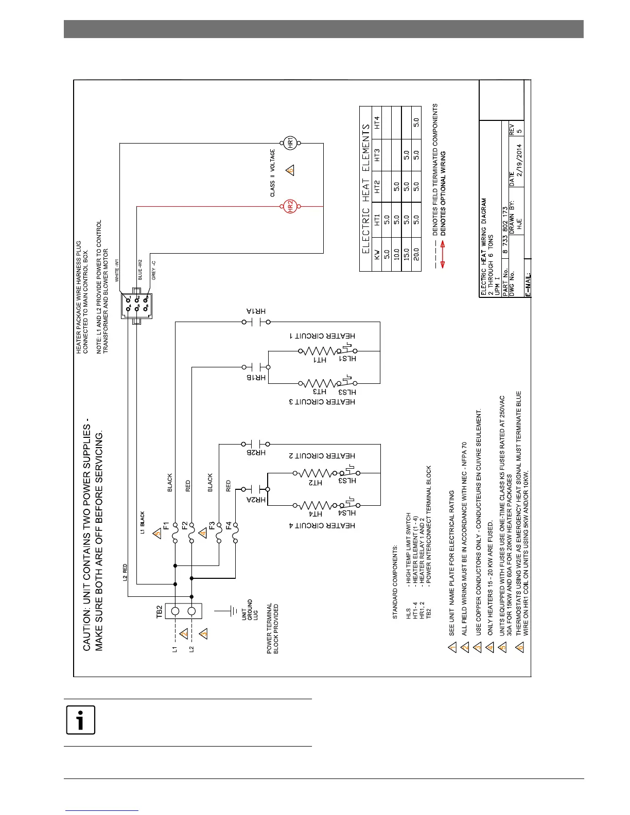
Wiring Diagrams | 71SM Series Heat Pump
6 720 220 406 (2015/02)Revised 02-15
Figure # 122
NOTE: FOR REFERENCE ONLY Actual unit
wiring may vary from this example. Always refer
to the wiring diagram attached to the unit.

Table of Contents

Other manuals for Bosch SM036

Related product manuals