EasyManua.ls Logo

Bose CD-20 - CD Mechanism IC Block Diagrams

Bose CD-20
94 pages
Print Icon
To Next Page IconTo Next Page
To Next Page IconTo Next Page
To Previous Page IconTo Previous Page
To Previous Page IconTo Previous Page
Loading...
56
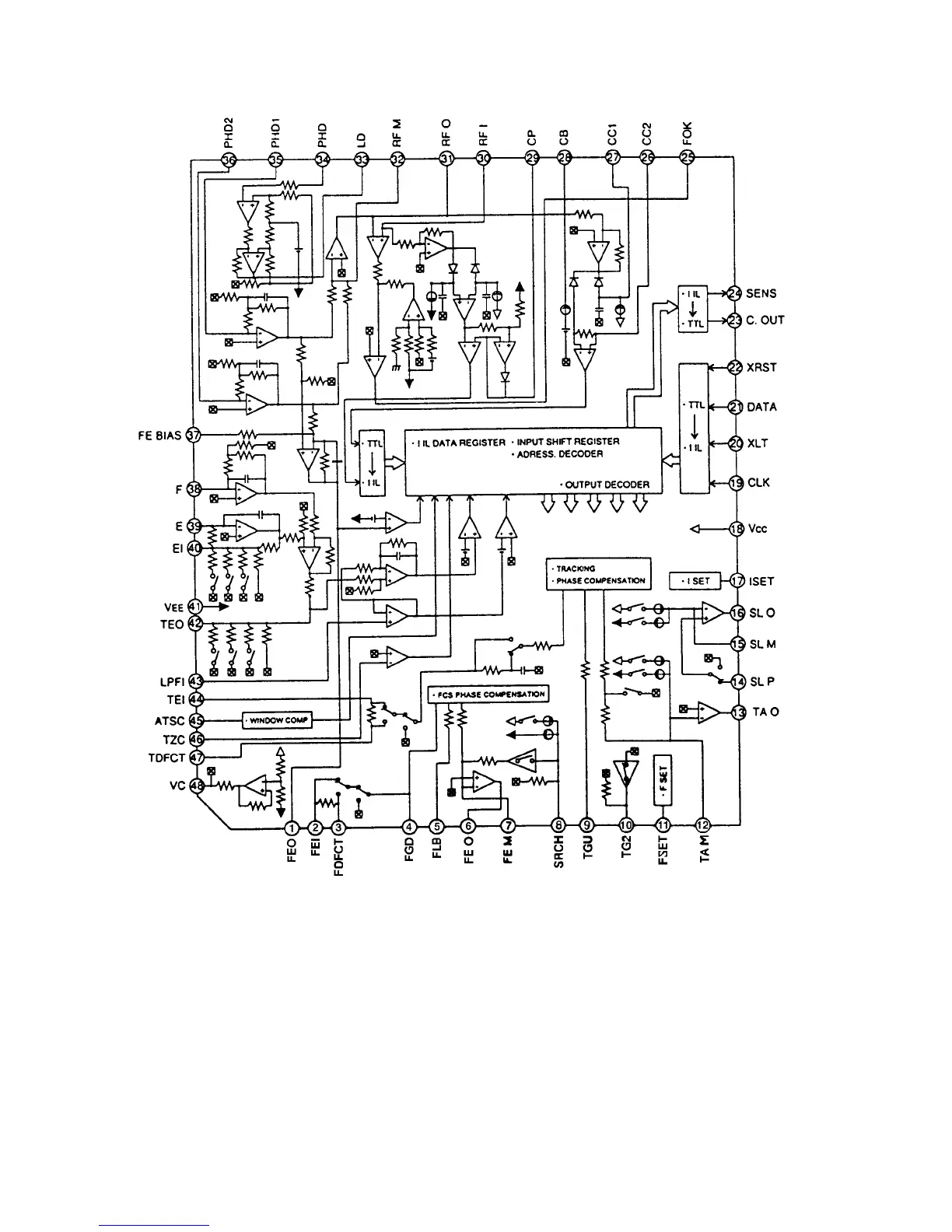
CD MECHANISM IC BLOCK DIAGRAMS
IC 821 (CXA1782BQ) Servo Signal Processor RF Amplifier

Other manuals for Bose CD-20

Related product manuals