EasyManua.ls Logo

BRADEN CH210 - Hydraulic Circuit

Default Icon
40 pages
Print Icon
To Next Page IconTo Next Page
To Next Page IconTo Next Page
To Previous Page IconTo Previous Page
To Previous Page IconTo Previous Page
Loading...
10
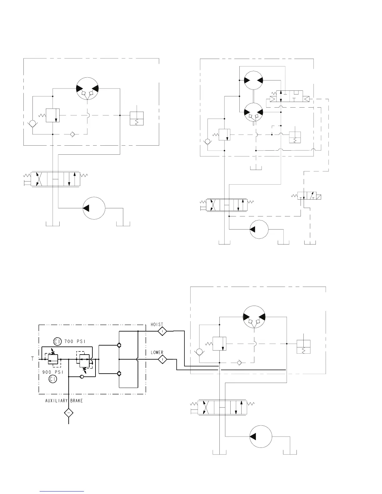
HYDRAULIC CIRCUIT
HOIST BRAKE
BRAKE
VALVE
PUMP
CONTROL
VALVE
HOIST ASSEMBL
Y
W/BRAKE VALVE
& STATIC BRAKE
BR
DR
SINGLE-SPEED MOTOR CIRCUIT
HOIST BRAKE
BRAKE
VALVE
2-SPEED
SELECTOR
VALVE
PUMP
CONTROL
VALVE
HOIST ASSEMBLY
W/BRAKE VALVE
& STATIC BRAKE
TP
BR
DR
A
TWO-SPEED MOTOR CIRCUIT
HOIST BRAKE
BRAKE
VALVE
PUMP
CONTROL
VALVE
HOIST ASSEMBL
Y
W/BRAKE VALVE
& STATIC BRAKE
BR
DR
WITH AUXILIARY BRAKE