EasyManua.ls Logo

Branson 3515h - Operation and Adjustment; Differential System

Branson 3515h
454 pages
Print Icon
To Next Page IconTo Next Page
To Next Page IconTo Next Page
To Previous Page IconTo Previous Page
To Previous Page IconTo Previous Page
Loading...
4
-
19
42hW-201601
CHAPTER 4 TRANSMISSION
4
3015R(h)/3515R(h)/4015R(h)/F36R(h)/F42R(h) TRACTOR
3. OPERATION AND ADJUSTMENT
3.1 DIFFERENTIAL SYSTEM
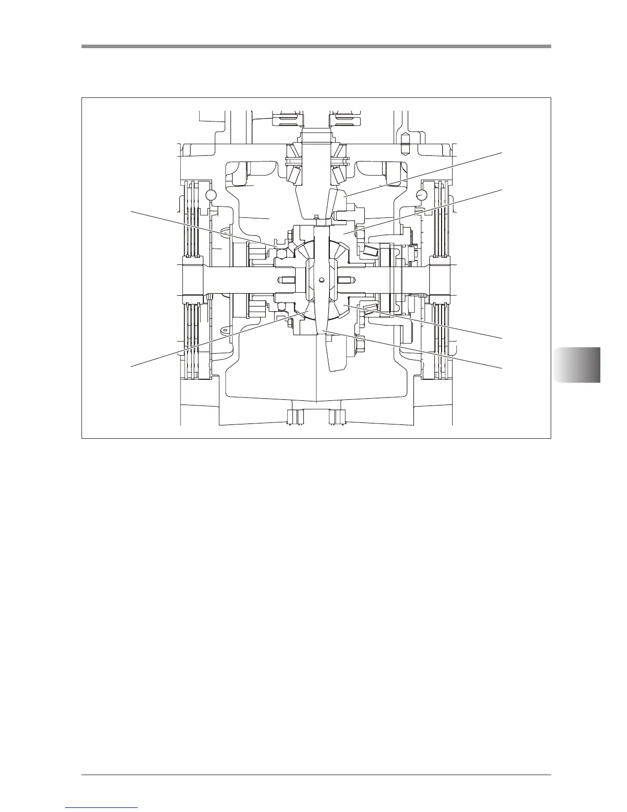
1
2
3
5
6
4
F42W430A
Thedifferentialsystemistorotatetheleftwheelandrightwheelatdifferentspeedsforsmoothturning.When
turning,thissystemrotatestheinnerwheelintheturningdirectionslowerandtheouterwheelfastertoturn
thevehicleinthedesireddirection.
Also,whenawheelgotstuckinmud,itishardtoescapethepitsincethewheelinmudwithnofrictionrotates
atfasterspeedandthewheelonroadwithfrictiondoesnotrotateduetothedifferentialsystem.Topreventthis
situation,thevehicleisequippedwiththedifferentiallock.Thedifferentiallockmovesthedifferentiallockslide
toxthedifferentialcaseanddifferentialsidegeartogetherwiththepin,resultinginrotationofthesidegear
ontheothersideaswell.Therefore,thewheelsonbothsidesarerotatedatthesamespeedtoescapethepit.
Thedifferentialsystemconsistsoftheringgear(1),differentialcase(2),differentialsidegear(3),differential
pinion(4),differentialpinionshaft(5)anddifferentiallockslide(6).

Table of Contents

Related product manuals