EasyManua.ls Logo

Branson 3515h - Pto Operation

Branson 3515h
454 pages
Print Icon
To Next Page IconTo Next Page
To Next Page IconTo Next Page
To Previous Page IconTo Previous Page
To Previous Page IconTo Previous Page
Loading...
7
-
14
42hW-201601
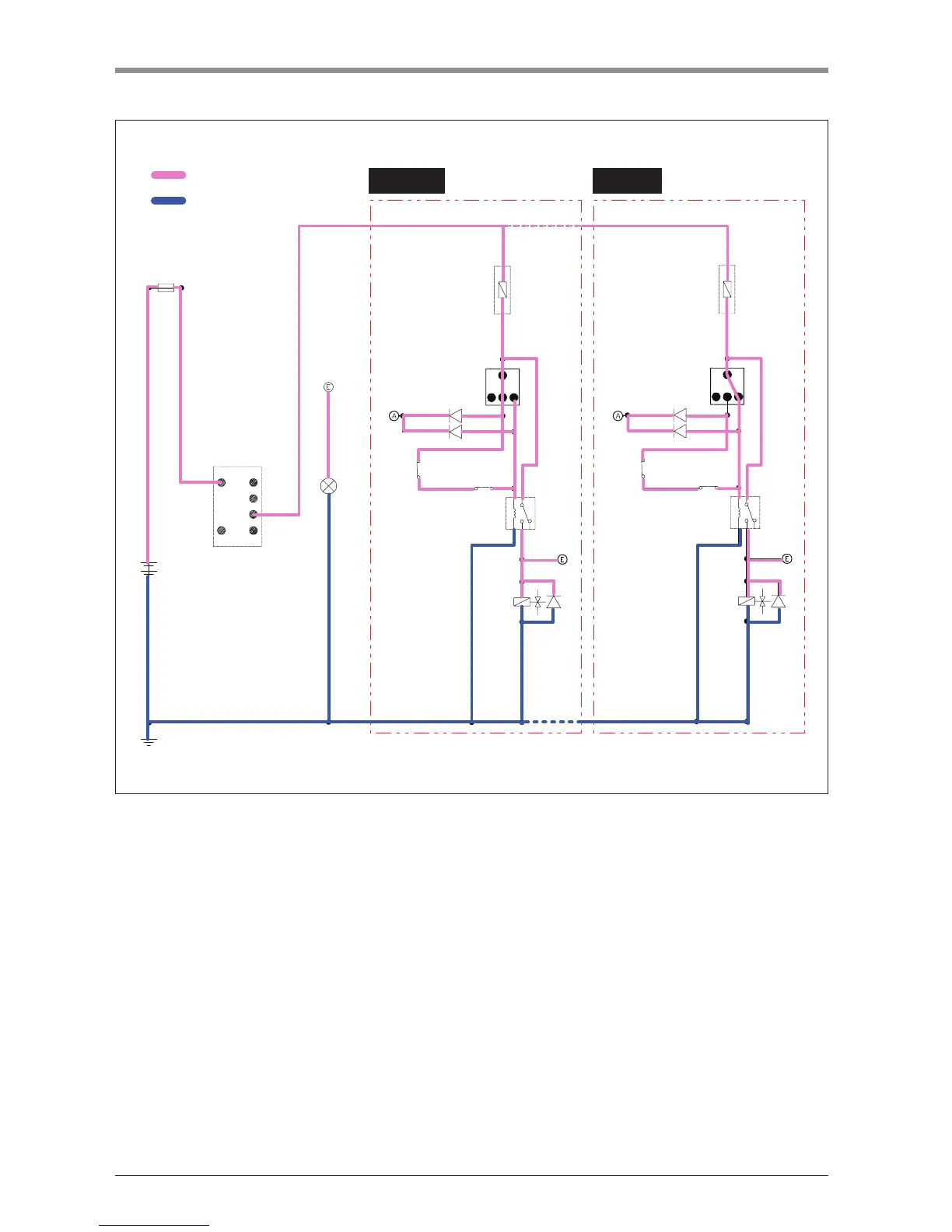
CHAPTER 7 ELECTRIC SYSTEM 3015R(h)/3515R(h)/4015R(h)/F36R(h)/F42R(h) TRACTOR
4.4 PTO OPERATION
#8
#83
#83
#3
1-:
'3(
'3#
1:-
$#
##
1:(
1-3
1:#
#"55&3:
'64&#-*/,108&3
,&:48*5$)
$-65$)4"'&5:48
$-65$)4"'&5:48
'64&
"
1507"-7&
1503&-":
150$)"/(&48*5$)
$
#3
#3
&
$
#
#83
1-:
'3(
'3#
1:-
$#
##
1:(
1-3
1:#
'64&
"
1507"-7&
1503&-":
150$)"/(&48*5$)
1:-
150-".1
150
&/("(&.&/548
150
&/("(&.&/548
POWER
GROUND
SWR#OLQN SWR#LQG
K20W706C
                                                    


            
                 


                                      


                                      





Table of Contents

Related product manuals