EasyManua.ls Logo

Branson 3515h - Sectional View for Major Components; Cylinder Block

Branson 3515h
454 pages
Print Icon
To Next Page IconTo Next Page
To Next Page IconTo Next Page
To Previous Page IconTo Previous Page
To Previous Page IconTo Previous Page
Loading...
2
-
32
42hW-201601
CHAPTER 2 ENGINE 3015R(h)/3515R(h)/4015R(h)/F36R(h)/F42R(h) TRACTOR
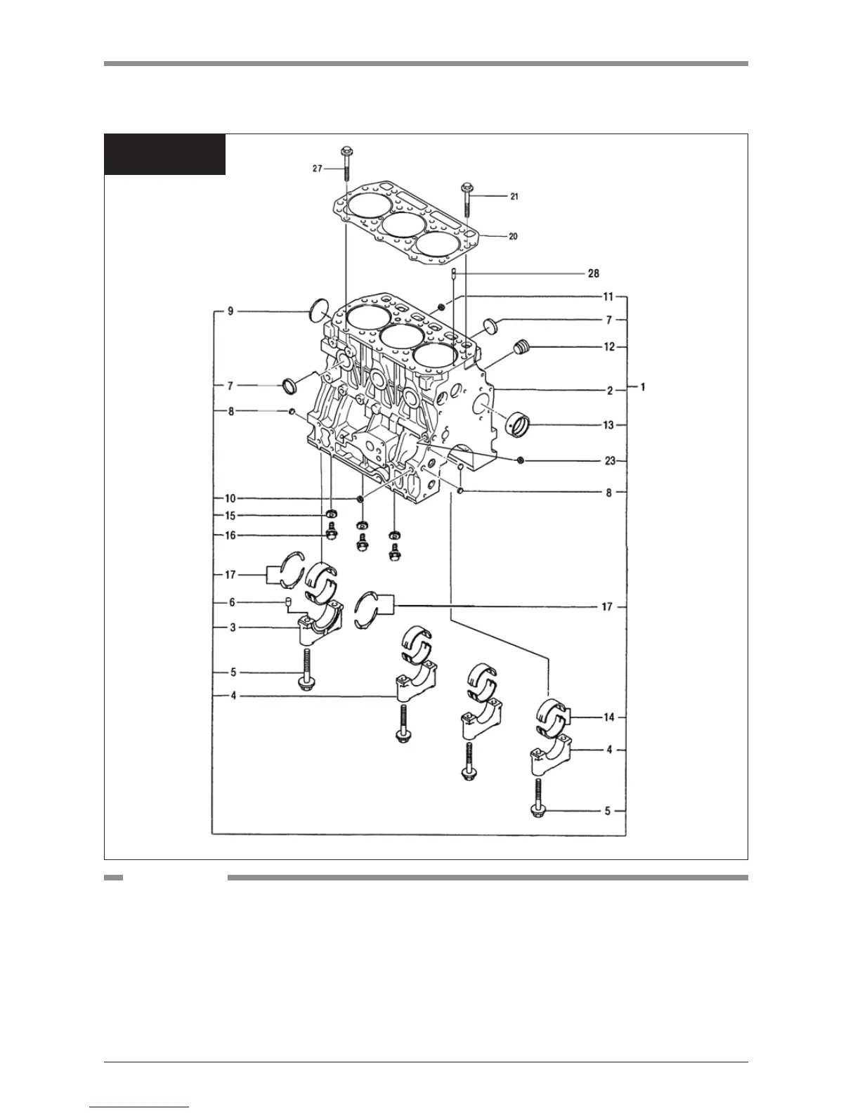
5. SECTIONAL VIEW FOR MAJOR COMPONENTS
5.1 CYLINDER BLOCK
K25W2A61A
(1) Block ass’y, cylinder
(2) Block, cylinder
(3) Bearing cap 1
(4) Bearing cap 2
(5) Bolt, bearing cap
(6) Spring pin
(7) Plug 30
(8) Plug 12
(9) Plug 50
(10) Plug pt 1/4
(11) Plug, pt 3/8
(12) Plug(block heater)
(13) Bush(cam shaft)
(14) Bearing ass’y, main(std)
(15) Packing
(16) Bolt 8 ×12
(17) Bearing ass’y, thrust
(20) Gasket, head
(21) Bolt(head, cylinder)
(23) Plug pt 1/8
(27) Bolt(head, cylinder)
(28) Pin(oil)
COMPONENTS
A1700N4_ETR
A1700N4_UTR_4

Table of Contents

Related product manuals