EasyManua.ls Logo

Branson 3515h - Fork, Main Shift [Mec. Model]

Branson 3515h
454 pages
Print Icon
To Next Page IconTo Next Page
To Next Page IconTo Next Page
To Previous Page IconTo Previous Page
To Previous Page IconTo Previous Page
Loading...
4
-
36
42hW-201601
CHAPTER 4 TRANSMISSION 3015R(h)/3515R(h)/4015R(h)/F36R(h)/F42R(h) TRACTOR
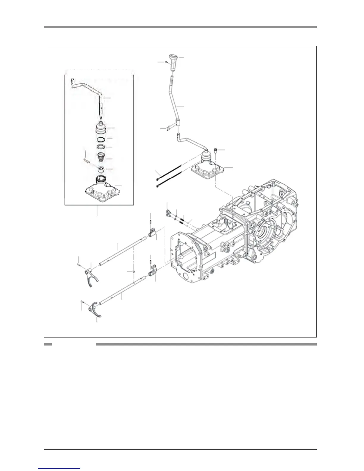
4.7 FORK, MAIN SHIFT [MEC. MODEL]


















0$,16+,)7/(9(5$66ಬ<
F42W407A
(1)Mainshiftleverass’y
(2)Hexangebolt
(3)Mainshiftlever
(4)Springpin
(5)Mainshiftknobass’y
(6)Screw
(7)Mainshifter
(8)Mainshiftforkshaft
(9)Springpin
(10)Mainshiftfork
(11)Mainshifter
(12)Mainshiftforkshaft
(13)Mainshiftfork
(14)Pin
(15)Steelball
(16)Spring
(17)O-ring
(18)Bolt
(19)Band
(20)Mainshiftlever(lower)
(21)Boots
(22)Snapring
(23)Spacer
(24)Spring
(25)Ball
(26)Pin
(27)Case,mainshift
COMPONENTS

Table of Contents