EasyManua.ls Logo

Branson 3515h - Safty Valve

Branson 3515h
454 pages
Print Icon
To Next Page IconTo Next Page
To Next Page IconTo Next Page
To Previous Page IconTo Previous Page
To Previous Page IconTo Previous Page
Loading...
6
-
60
42hW-201601
CHAPTER 6 HYDRAULIC SYSTEM 3015R(h)/3515R(h)/4015R(h)/F36R(h)/F42R(h) TRACTOR
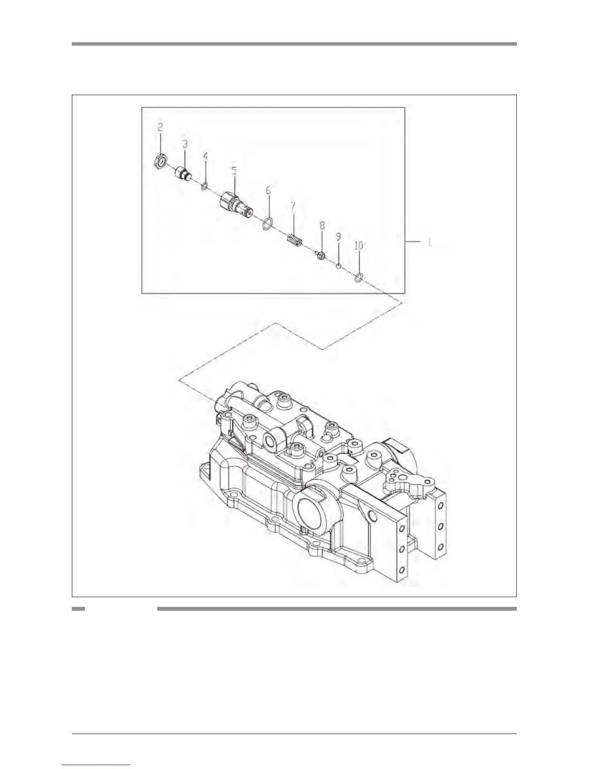
6.8 SAFTY VALVE
K25W612A
(1) Safety valve ass’y
(2) Nut
(3) Bolt
(4) O-ring
(5) Body, safety valve
(6) O-ring
(7) Spring
(8) Ball guide
(9) Steel ball
(10) O-ring
COMPONENTS

Table of Contents

Related product manuals