EasyManua.ls Logo

Branson 3515h - Gear Case

Branson 3515h
454 pages
Print Icon
To Next Page IconTo Next Page
To Next Page IconTo Next Page
To Previous Page IconTo Previous Page
To Previous Page IconTo Previous Page
Loading...
2
-
34
42hW-201601
CHAPTER 2 ENGINE 3015R(h)/3515R(h)/4015R(h)/F36R(h)/F42R(h) TRACTOR
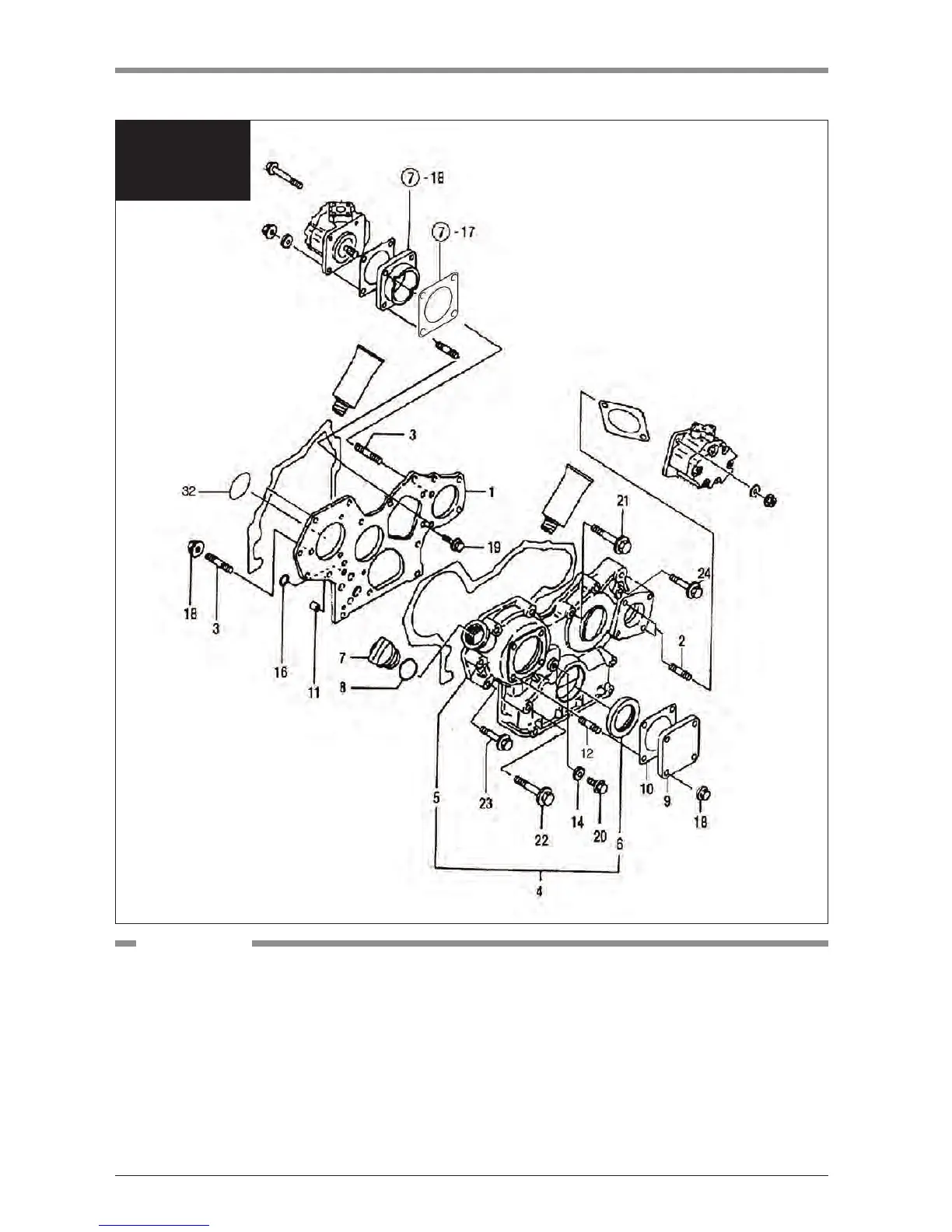
5.2 GEAR CASE
F42W202A
(1) Flange, gear case
(2) Stud bolt, M8 X L22
(3) Stud bolt, M8 X L20
(4) Gear case ass’y
(5) Gear case
(6) Oil seal
(7) Lub-oil ller cap
(8) O-ring
(9) Cover
(10) Packing
(11) Knock pin
(12) Stud bolt
(14) Copper packing, Ø8
(16) O-ring
(18) Flange nut, M8
(19) Bolt, M8 X L16
(20) Flange bolt, M8 × L22
(21) Flange bolt, M8 × L60
(22) Flange bolt, M8 × L90
(23) Flange bolt, M8 × L85
(24) Flange bolt, M8 × L50
(32) O-ring
COMPONENTS
A1700N4_ETR
A1700T2_ETR
A1700N4_UTR_4
A1700T2_UTR_4

Table of Contents

Related product manuals