EasyManua.ls Logo

Branson 3515r - Fork, Main Shift [Mec. Model]

Branson 3515r
454 pages
Print Icon
To Next Page IconTo Next Page
To Next Page IconTo Next Page
To Previous Page IconTo Previous Page
To Previous Page IconTo Previous Page
Loading...
4
-
36
42hW-201601
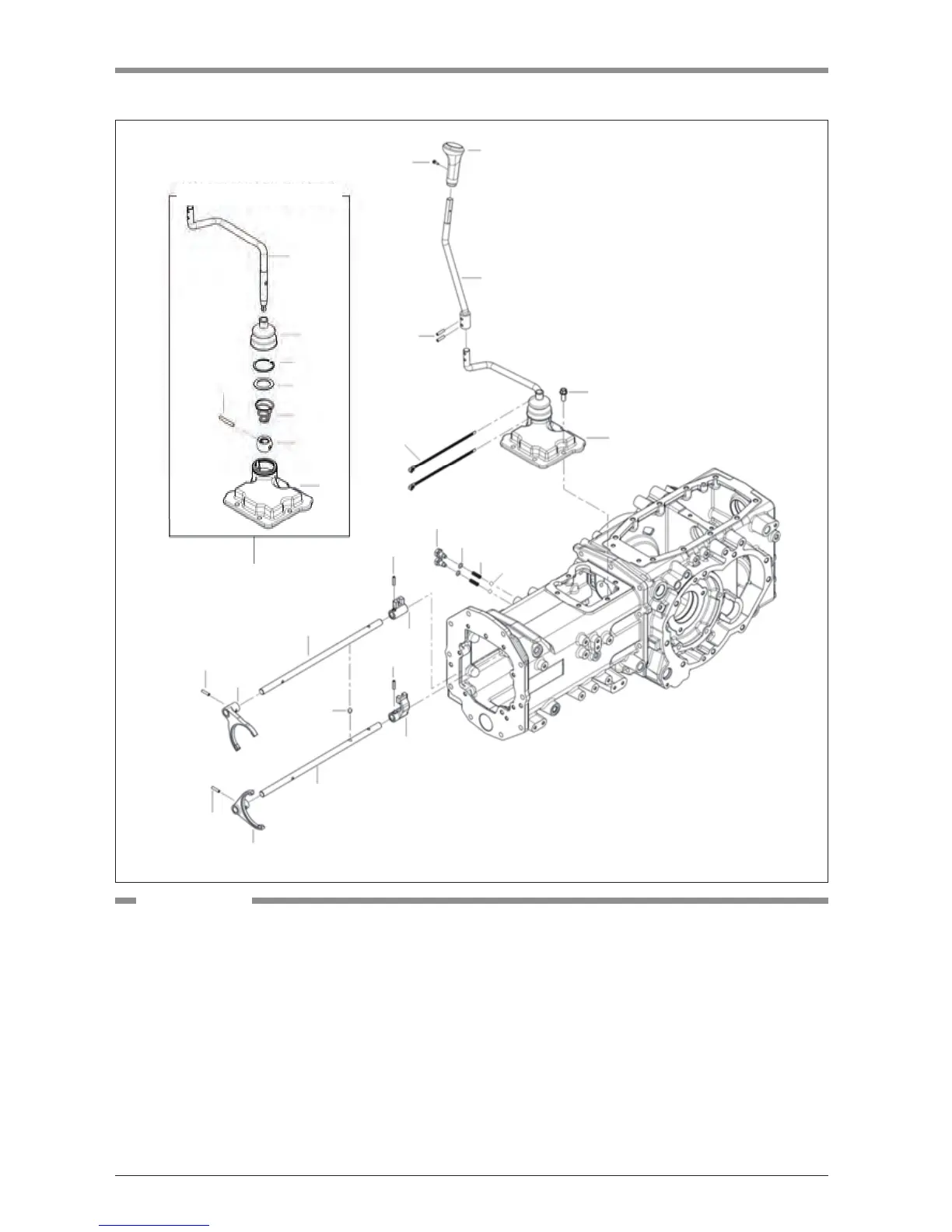
CHAPTER 4 TRANSMISSION 3015R(h)/3515R(h)/4015R(h)/F36R(h)/F42R(h) TRACTOR
4.7 FORK, MAIN SHIFT [MEC. MODEL]


















0$,16+,)7/(9(5$66ಬ<
F42W407A
(1)Mainshiftleverass’y
(2)Hexangebolt
(3)Mainshiftlever
(4)Springpin
(5)Mainshiftknobass’y
(6)Screw
(7)Mainshifter
(8)Mainshiftforkshaft
(9)Springpin
(10)Mainshiftfork
(11)Mainshifter
(12)Mainshiftforkshaft
(13)Mainshiftfork
(14)Pin
(15)Steelball
(16)Spring
(17)O-ring
(18)Bolt
(19)Band
(20)Mainshiftlever(lower)
(21)Boots
(22)Snapring
(23)Spacer
(24)Spring
(25)Ball
(26)Pin
(27)Case,mainshift
COMPONENTS

Table of Contents

Related product manuals