EasyManua.ls Logo

Branson 3515r - Battery And Fusible Link; Circuit Configuration by Major Function

Branson 3515r
454 pages
Print Icon
To Next Page IconTo Next Page
To Next Page IconTo Next Page
To Previous Page IconTo Previous Page
To Previous Page IconTo Previous Page
Loading...
7
-
10
42hW-201601
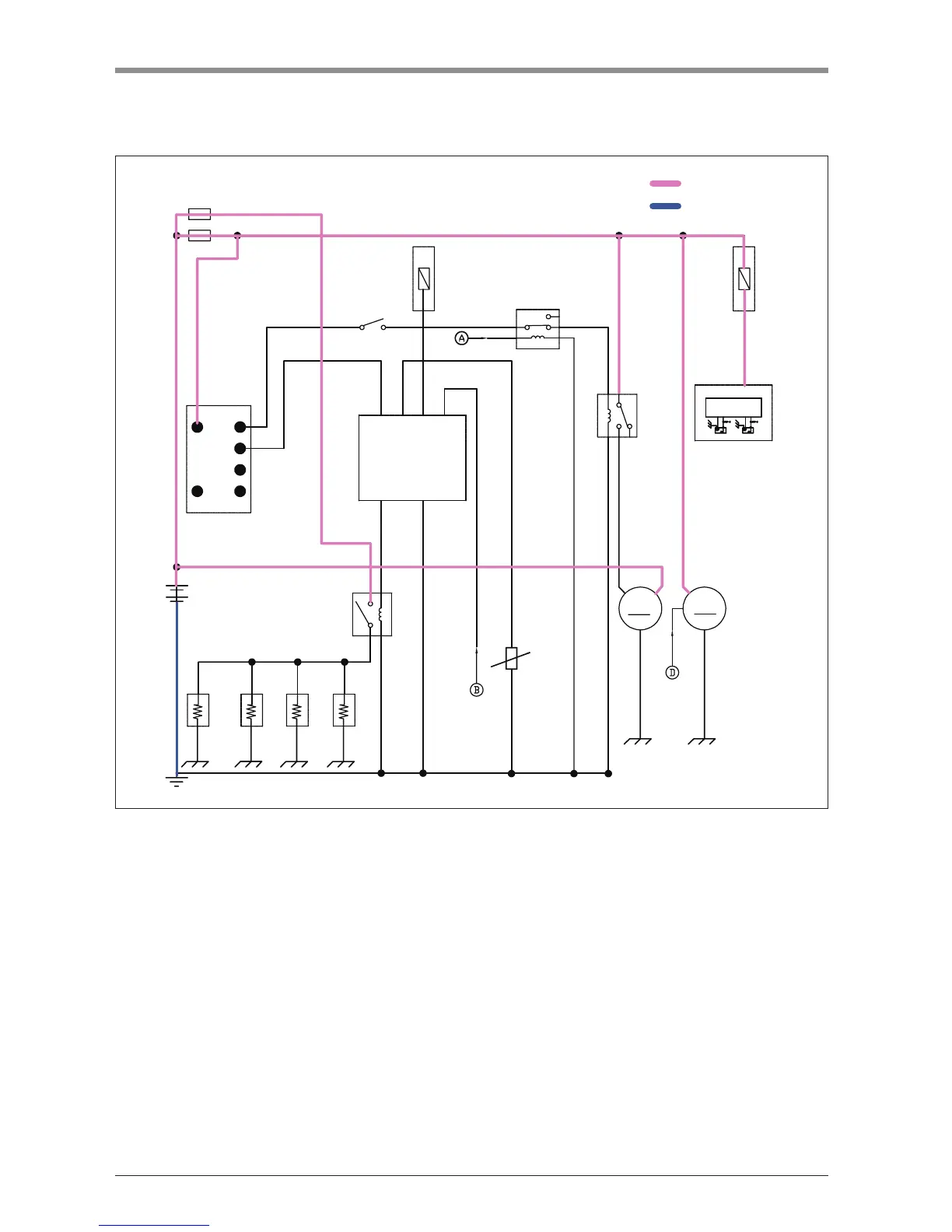
CHAPTER 7 ELECTRIC SYSTEM 3015R(h)/3515R(h)/4015R(h)/F36R(h)/F42R(h) TRACTOR
4. CIRCUIT CONFIGURATION BY MAJOR FUNCTION
4.1 BATTERY AND FUSIBLE LINK
*/:
*/2:5(/$<
%$77(5<
*/2:3/8*
%:5
*/2:3/8*
*/2:3/8*
*/2:3/8*
%
%:
&
%5
%5
(
&
%
)86(%/,1.32:(5
)86(%/,1.*/2:
%<
%/
%/
%%:
%<
%/
*/%
)5%
*/:
*/2:&21752//(5
*<
%
)86(
$
*/%
7
67$57(5
0
3
*(1(5$725
*
6$)(7<67$57(5
5(/$<3
**<
67$575(/$<
6%5
)%
6
%:
% %
5(/$<3
6%5
%:
%:
&$%/(%
%:
)86(
)/$6+81,7
8%
6+85,5(*
5(/$<
6+85,5(*
%$7
%$7
5(/$<
)5*
$
.(<6:,7&+
%:
6%<
*%
6$)(7<6:,7&+
&$%/(%
*/2:5(/$<
*/2:5(/$<
67$57(55(/$<
:$7(57(03(5$785(6(1625
%5
POWER
GROUND
F42W703A
                

         



Table of Contents

Related product manuals