EasyManua.ls Logo

Branson 3515r - Hyd Control Position Type

Branson 3515r
454 pages
Print Icon
To Next Page IconTo Next Page
To Next Page IconTo Next Page
To Previous Page IconTo Previous Page
To Previous Page IconTo Previous Page
Loading...
6
-
62
42hW-201601
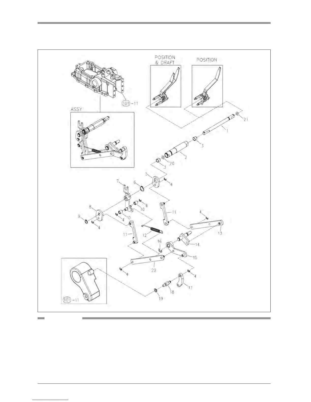
CHAPTER 6 HYDRAULIC SYSTEM 3015R(h)/3515R(h)/4015R(h)/F36R(h)/F42R(h) TRACTOR
6.10 HYD CONTROL POSITION TYPE
K25W614A
(1) Shaft,position lever
(2) D-control shaft
(3) Bush
(4) Snap ring(E)
(5) Plate
(6) Snap ring
(7) Link ass’y
(8) Plate
(9) Snap ring
(10) Roller
(11) Link B ass’y
(12) Spring
(13) Link
(14) Link ass’y(in)
(15) Link, feed back
(16) Snap ring(E)
(17) Link
(18) Pin, feed back
(19) Spring washer
(20) O-ring
(21) O-ring
(22) Link, position
COMPONENTS

Table of Contents

Related product manuals