EasyManua.ls Logo

Branson 3515r - Page 305

Branson 3515r
454 pages
Print Icon
To Next Page IconTo Next Page
To Next Page IconTo Next Page
To Previous Page IconTo Previous Page
To Previous Page IconTo Previous Page
Loading...
6
-
27
42hW-201601
CHAPTER 6 HYDRAULIC SYSTEM
6
3015R(h)/3515R(h)/4015R(h)/F36R(h)/F42R(h) TRACTOR
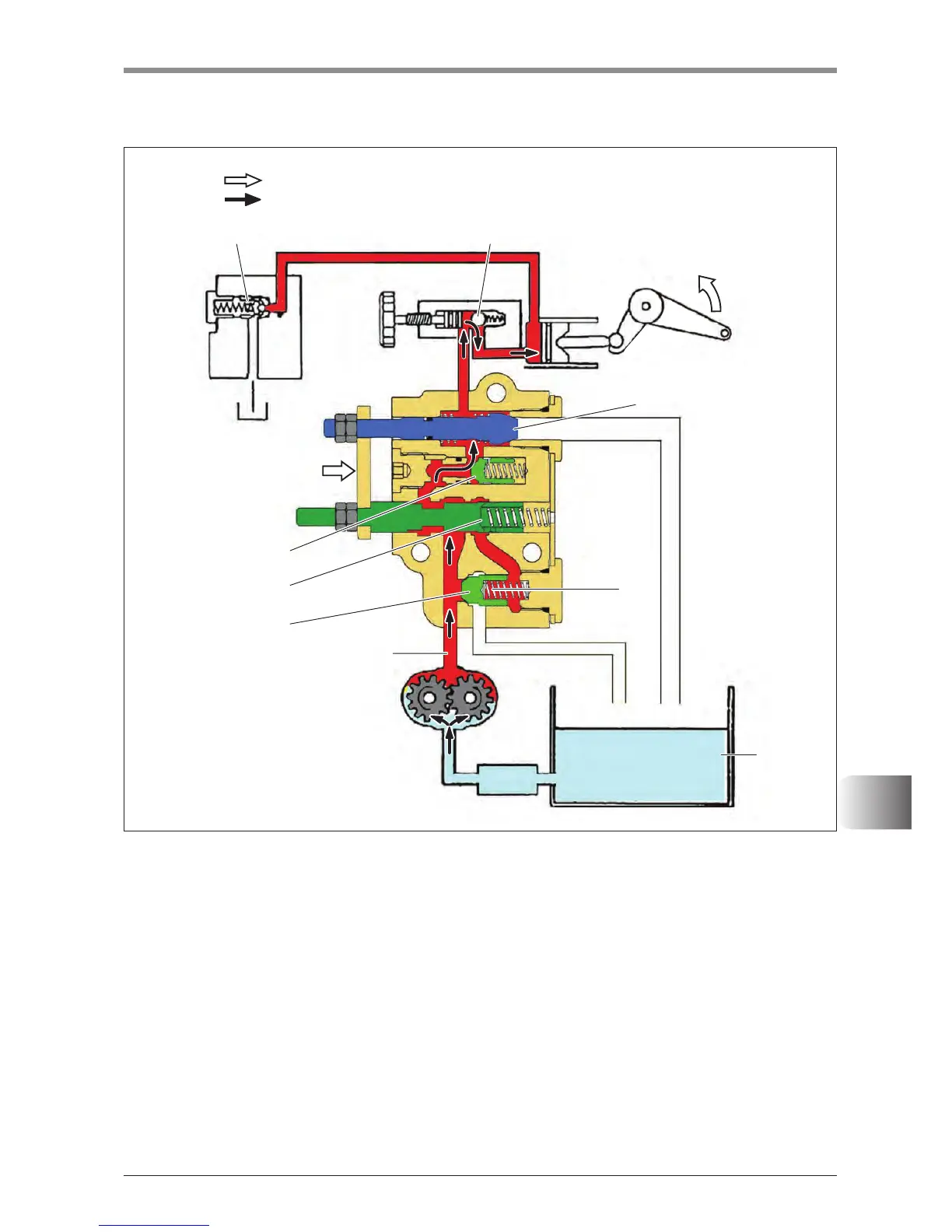
LIFTING (RAPID LIFTING)
The unload valve is applied with the pilot pressure (a) and (b) so it is closed by the spring force. As the
pressureinthepumprises,oilowsthroughtheowpassageinthespoolandopenstheloadcheckvalveto
owintothecylinder(rapidlifting).Themechanicalcheckvalveiskeptclosed.
(1) Safety valve
(2) Slow return valve
(3) Load check valve
(4) Mechanical valve
(5) Main spool
(6) Unload valve
(7) Oil tank
4
b
7
3
5
6
a
1
2
⫰ㆣ⪣#⫝̸ᜤ
⥯⫇⪣#㪛᳏
Q25W624A
Operation
Oilow

Table of Contents

Related product manuals