EasyManua.ls Logo

Braun BF3462Y-2 - Hydraulics; Hydraulic Schematic

Braun BF3462Y-2
46 pages
Print Icon
To Next Page IconTo Next Page
To Next Page IconTo Next Page
To Previous Page IconTo Previous Page
To Previous Page IconTo Previous Page
Loading...
Page 32
H
G
F
E
D
C
B
A
M
M
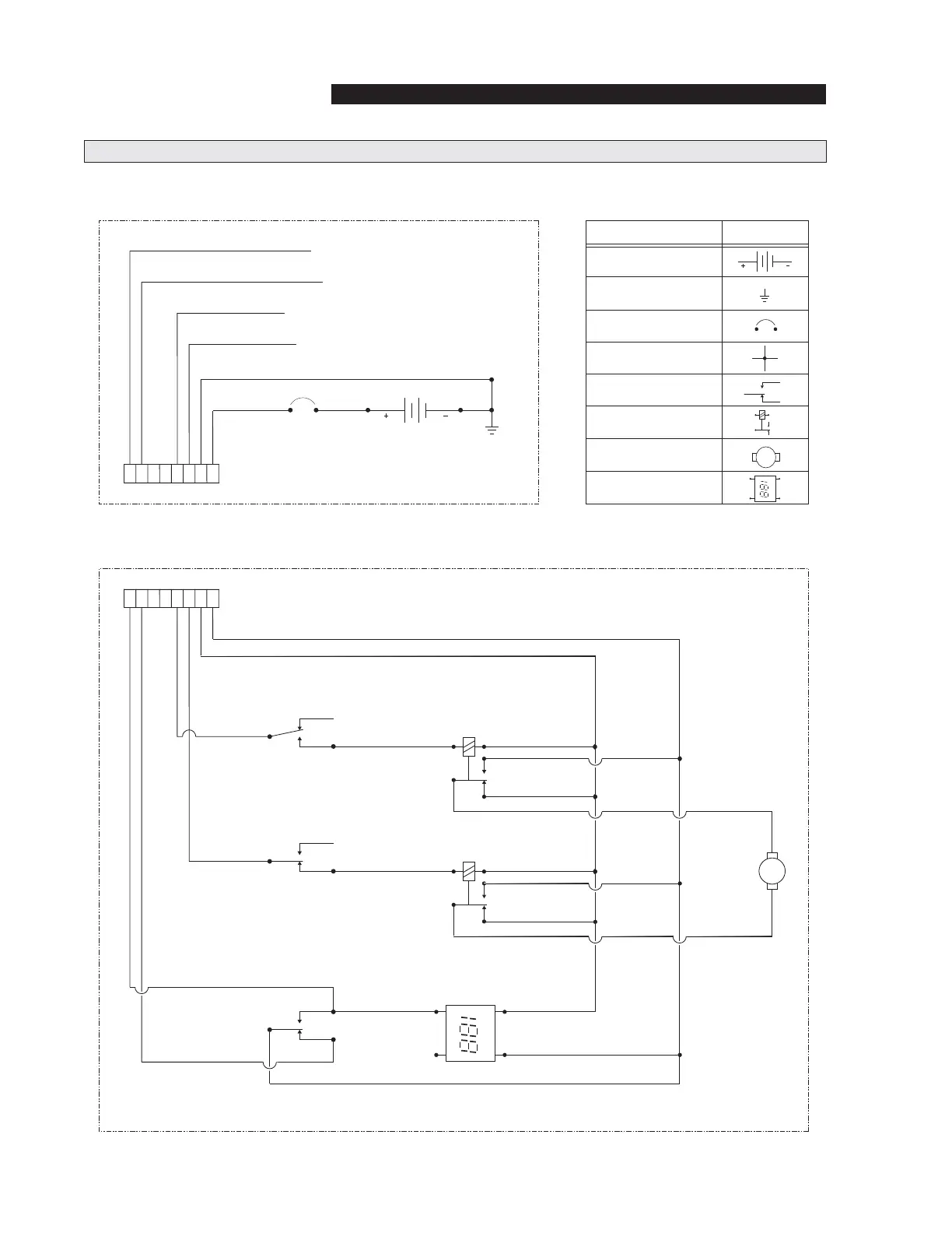
BATTERY
CHASSIS GROUND
CIRCUIT PROTECTION DEVICE
JUNCTION
MOTOR
COUNTER
MICROSWITCH
RELAY
SYMBOLDESCRIPTION
P1
H
G
F
E
D
C
B
A
J1
NC
NO
C
NC
NO
C
NC
NO
C
86
4
3
1
2
12 GA. BL
12 GA. BK
12 GA. BK14 GA. OR/BK
14 GA. OR/BK
12 GA. BK
12 GA. BK14 GA. BL/BK
14 GA. BL/BK
14 GA. YL
14 GA. OR/BK
14 GA. WH
14 GA. YL
12 GA. BK18 GA. BK
12 GA. RD12 GA. RD
PUMP
"DRIFT IN"
MICROSWITCH
STOW
RELAY
CIRCUIT
PROTECTION
DEVICE
(30 AMP.)
GROUND
BATTERY
RA300 TRANSIT RAMP ASSEMBLY
POWER CONNECTIONS / CONTROL SIGNALS (PROVIDED BY INSTALLER)
SYMBOL KEY
"DRIFT OUT"
MICROSWITCH
DEPLOY
RELAY
COUNTER
14 GA. BL/BK
12 GA. * 12 GA. *
12 GA. *
* RECOMMENDED WIRE GUAGE
GROUND
12 GA. BK
18 GA. BK
12 GA. RD
12 GA. RD
12 GA. RD
12 GA. OR
12 GA. BL/BK
18 GA. RD
18 GA. RD
12 GA. OR
30
87
87A
85
85
86
30
87
87A
NC
NO
C
18 GA. YL/WH
"COUNTER"
MICROSWITCH
85
86
30
87
87A
14 GA. WH
COUNT
N/A POS
NEG
4
3
1
2
USER CONTROL SIGNAL TO DEPLOY RAMP
USER CONTROL SIGNAL TO STOW RAMP
14 GA. *
14 GA. *
SIGNAL TO RAMP STOW INDICATOR
SIGNAL TO RAMP DEPLOY INDICATOR
14 GA. *
14 GA. *
DRAWING SHOWN WITH RAMP IN STOWED POSITION
TROUBLESHOOTING
Electrical Schematic