EasyManua.ls Logo

Braun BF3462Y-2 - Repair Parts List

Braun BF3462Y-2
46 pages
Print Icon
To Next Page IconTo Next Page
To Next Page IconTo Next Page
To Previous Page IconTo Previous Page
To Previous Page IconTo Previous Page
Loading...
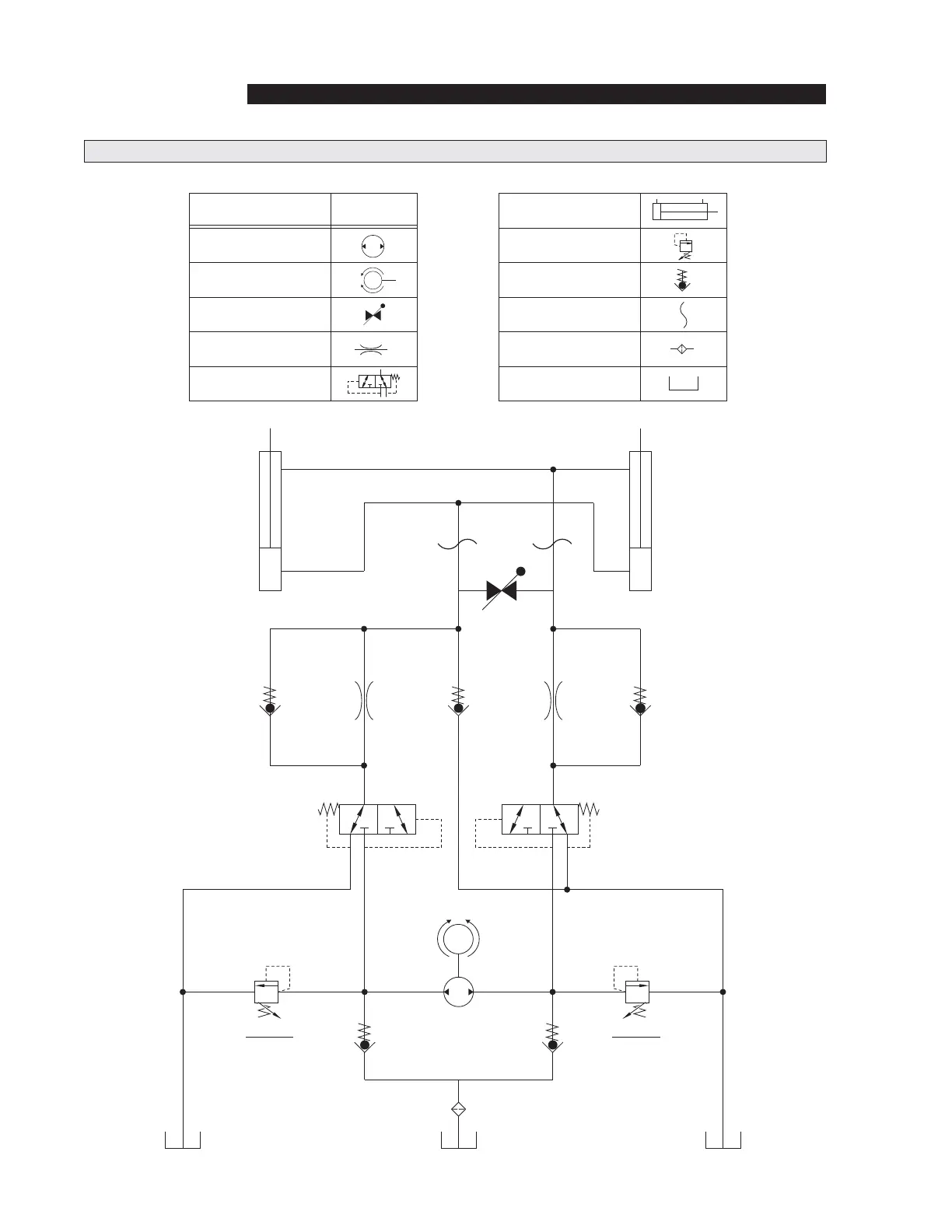
Page 34
Pump, Bidirectional
Displacement
69 BAR
1000 PSI
.033
“B” “A”
.020
Pump Motor,
Bidirectional
Flow Control
Valve
Fixed Orifice
3 Way 2 Position
Shuttle Valve
M
Description Symbol
Reservoir,
Vented
Relief Valve
Check Valve
Hydraulic Port
Filter Screen
86 BAR
1250 PSI
Cylinder, Double
Acting
M
HYDRAULICS
Hydraulic Schematic