EasyManua.ls Logo

Brilliance V5 2017 - Instrument Board Body Assembly

Brilliance V5 2017
507 pages
Print Icon
To Next Page IconTo Next Page
To Next Page IconTo Next Page
To Previous Page IconTo Previous Page
To Previous Page IconTo Previous Page
Loading...
7
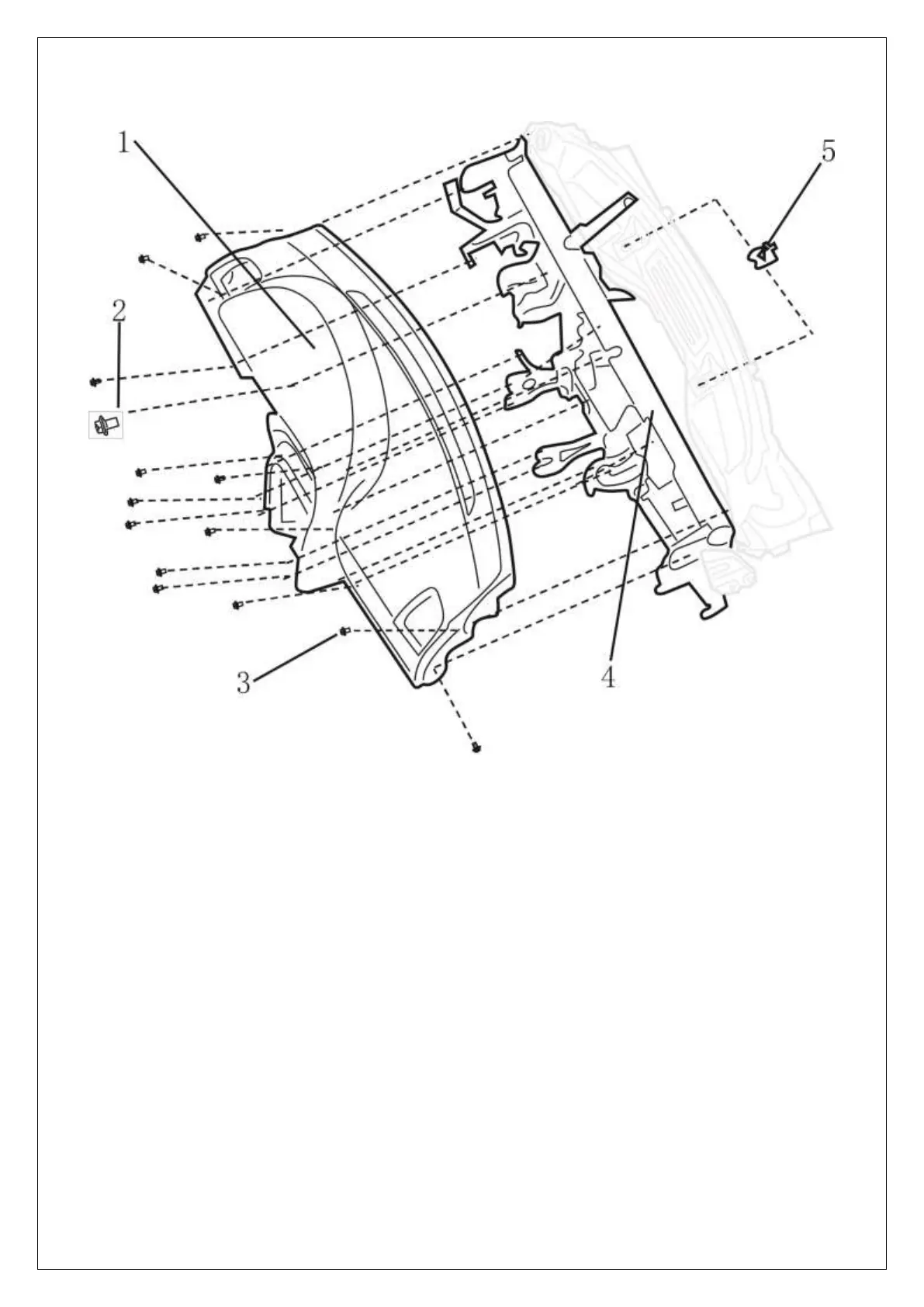
IV. Instrument Board Body Assembly
(1) Instrument board body assembly 1 piece
(2) Combined bolt M6X16 1 piece
(3) Cross recessed pan head self-tapping screw ST4.2X15 20 pieces
(4) Instrument board crossbeam assembly 1 piece
(5) Instrument board fixing clamp 2 pieces

Table of Contents