EasyManua.ls Logo

Brute FT Series - Vent and Air Pipe Termination

Brute FT Series
100 pages
Print Icon
To Next Page IconTo Next Page
To Next Page IconTo Next Page
To Previous Page IconTo Previous Page
To Previous Page IconTo Previous Page
Loading...
Page 28
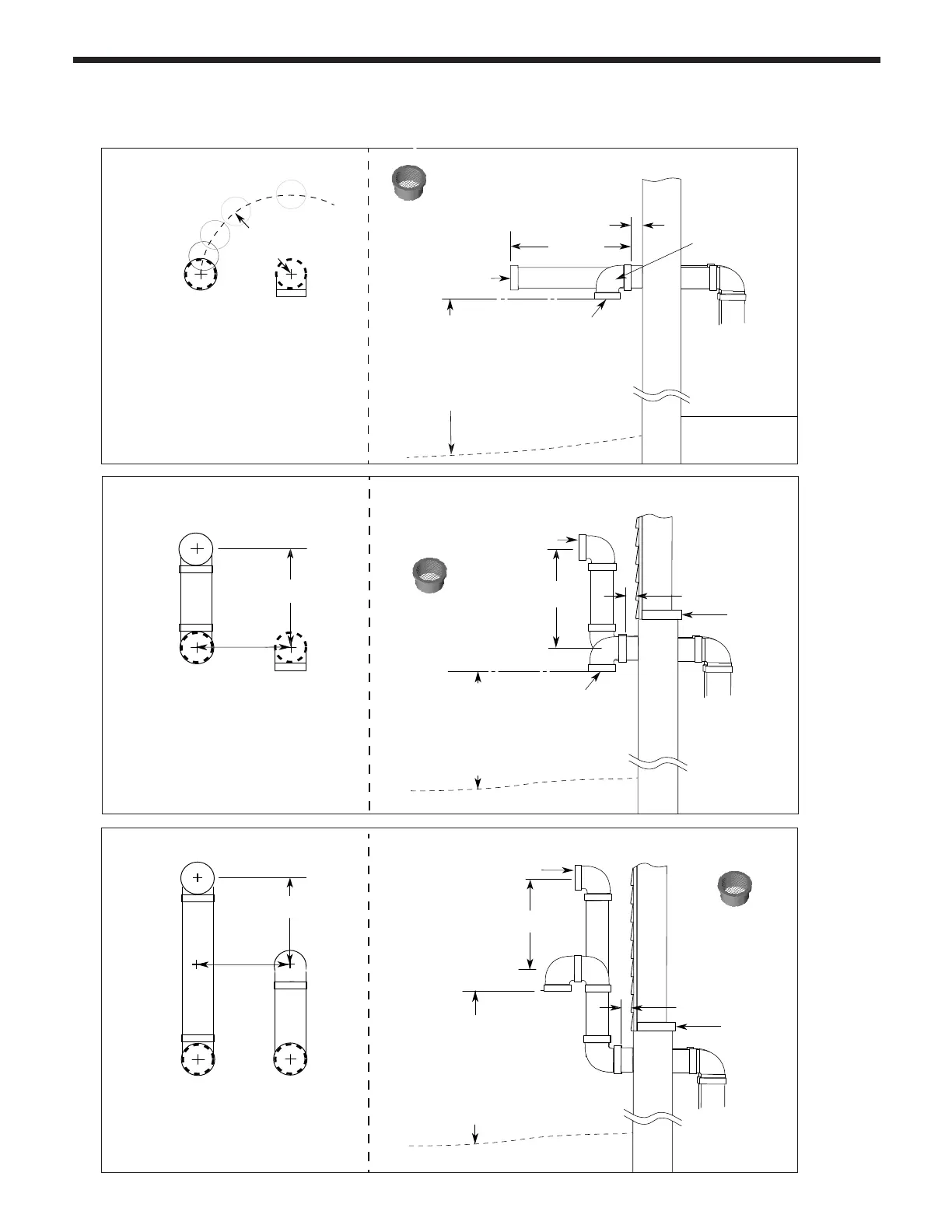
Horizontal Vent Termination
Direct Vent - Sidewall Termination
4.8 Vent / Air Pipe Termination (continued)
SIDE VIEW
FRONT VIEW
Exhaust Screen
12” MIN
1” MIN
Exhaust
Combustion
Intake
Air Intake Screen
Exterior Wall
NOTE: Must be 12”
Minimum distance
above highest
anticipated snow level
or grade, whichever is
greater (TYP).
NOTE: The Exhaust must
be equal to or above the
Combustion Intake while at
a Minimum of 12” apart.
12” MIN
Apart
Exhaust
90
o
Elbow
Exhaust
Screen
Exhaust
Exhaust
12” MIN
1” MIN
Sill
Combustion
Intake
Combustion
Intake
SIDE VIEWFRONT VIEW
Exterior Wall
NOTE: Must be 12”
Minimum distance
above highest
anticipated snow level
or grade, whichever is
greater (TYP).
12” MIN
12”
MIN
Exhaust Screen
Exhaust
12” MIN
12” MIN
1” MIN
Sill
Combustion
Intake
Combustion
Intake
SIDE VIEWFRONT VIEW
Air Intake Screen
90
o
Elbow
Exterior Wall
12”
NOTE: Must be 12”
Minimum distance
above highest
anticipated snow level
or grade, whichever is
greater (TYP).
Exhaust
MIN
A
B
C
Vent Screens are required
Vent Screens
are required
Vent
Screens are
required

Table of Contents