EasyManua.ls Logo

Brute FT Series - Zoning with Zone Valve

Brute FT Series
100 pages
Print Icon
To Next Page IconTo Next Page
To Next Page IconTo Next Page
To Previous Page IconTo Previous Page
To Previous Page IconTo Previous Page
Loading...
The FT Series Heating Only, Boiler
Page 43
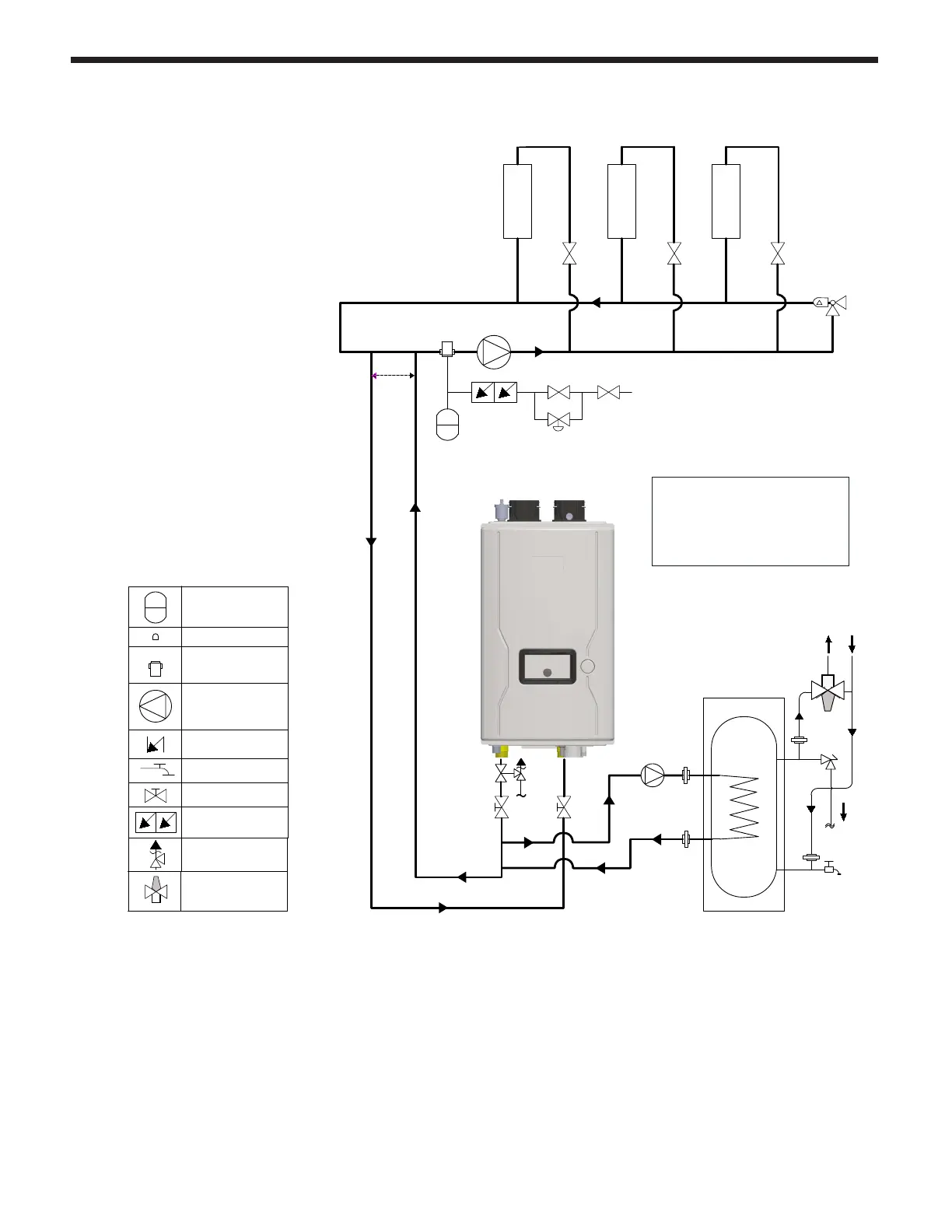
4.14.4 Zoning with zone valves
- In a valve based system, there is one
circulator pump at the boiler and each
heating zone has a zone valve which opens
when the zone demands it.
- Each thermostat is wired directly to the
corresponding zone valve. Contacts in the
zone valves provide a proper signal to the
boiler when the valve is opened.
Auto Fill Valve
and Backow Preventer
Valves are NOT included
(Field Supplied).
1. This piping diagram is meant to show system piping concept only. Installer is responsible for all
equipment and detailing required by local codes.
2. All closely spaced tees shall be 12” (or 4 pipe diameters) center to center spacing.
3. A minimum of 6 pipe diameters of straight pipe shall be installed upstream and downstream of all
closely spaced tees.
4. Install a minimum of 12 diameters of straight pipe upstream of all circulators.
5. Manufacturer strongly recommends the use of an anti-scald mixing valve at domestic hot water outlet
(boiler location) to reduce potential for scalding. Contact Manufacturer for recommended models.
Check with local codes.
6. It is strongly recommended to use a 10 kOhm sensor for DWH sensing, especially in high temp DHW
applications.
PRIMARY LOOP
CH
SUPPLY
CH RETURN
1”
Min
Piping
(SPACE HEATING)
ZONE 1
ZONE 2
ZONE 3
SECONDARY LOOP
(SPACE HEATING)
Do not
exceed
12"
See
Note
P
Make-Up Water
DHW
Pump
Indirect DHW Tank
Check valve
Drain valve
valve
Expansion tank
Differential
Air separator
Anti-scald rated
Mixing Valve
PRIMARY LOOP
CH
SUPPLY
CH RETURN
(SPACE HEATING)
ZONE 1
ZONE 2
ZONE 3
SECONDARY LOOP
(SPACE HEATING)
Do not
exceed
12"
See
Note
P
P
Make-Up Water
DHW
Pump
Indirect DHW Tank
1" or 1-1/4" min piping
depending upon boiler size.
Circulation pump
Check valve
Drain valve
Gate valve
Backflow preventer
Pressure Relief Valve
Expansion tank
Air separator
(Diaphragm-type)
Automatic air vent
Anti-scald rated
Mixing Valve
PRIMARY LOOP
CH
SUPPLY
CH RETURN
(SPACE HEATING)
ZONE 1
ZONE 2
ZONE 3
1" or 1-1/4"
min piping
depending
upon boiler
size.
Do not
exceed
12"
See
Note
SECONDARY LOOP
(SPACE HEATING)
Make-Up Water

Table of Contents