EasyManua.ls Logo

Bryant CHS072 - Page 24

Bryant CHS072
52 pages
Print Icon
To Next Page IconTo Next Page
To Next Page IconTo Next Page
To Previous Page IconTo Previous Page
To Previous Page IconTo Previous Page
Loading...
24 506 01 2303 01
Specifications are subject to change without notice.
C150345
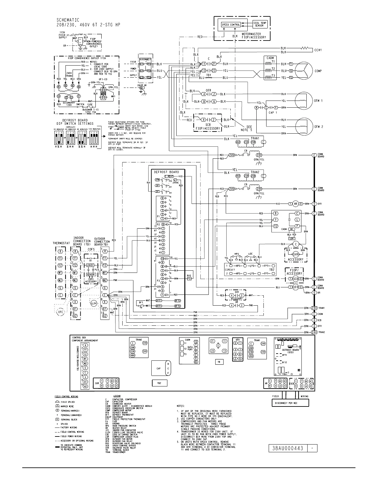
Fig. 21 -- CHS072*G/H Single Circuit / Two Stage Wiring Diagram (208/230, 460-3-60 shown)

Related product manuals