EasyManua.ls Logo

CAB A6 - Page 107

Default Icon
119 pages
Print Icon
To Next Page IconTo Next Page
To Next Page IconTo Next Page
To Previous Page IconTo Previous Page
To Previous Page IconTo Previous Page
Loading...
Index 1 04-09-04
C-15
Serviceanleitung / Service Manual / / /
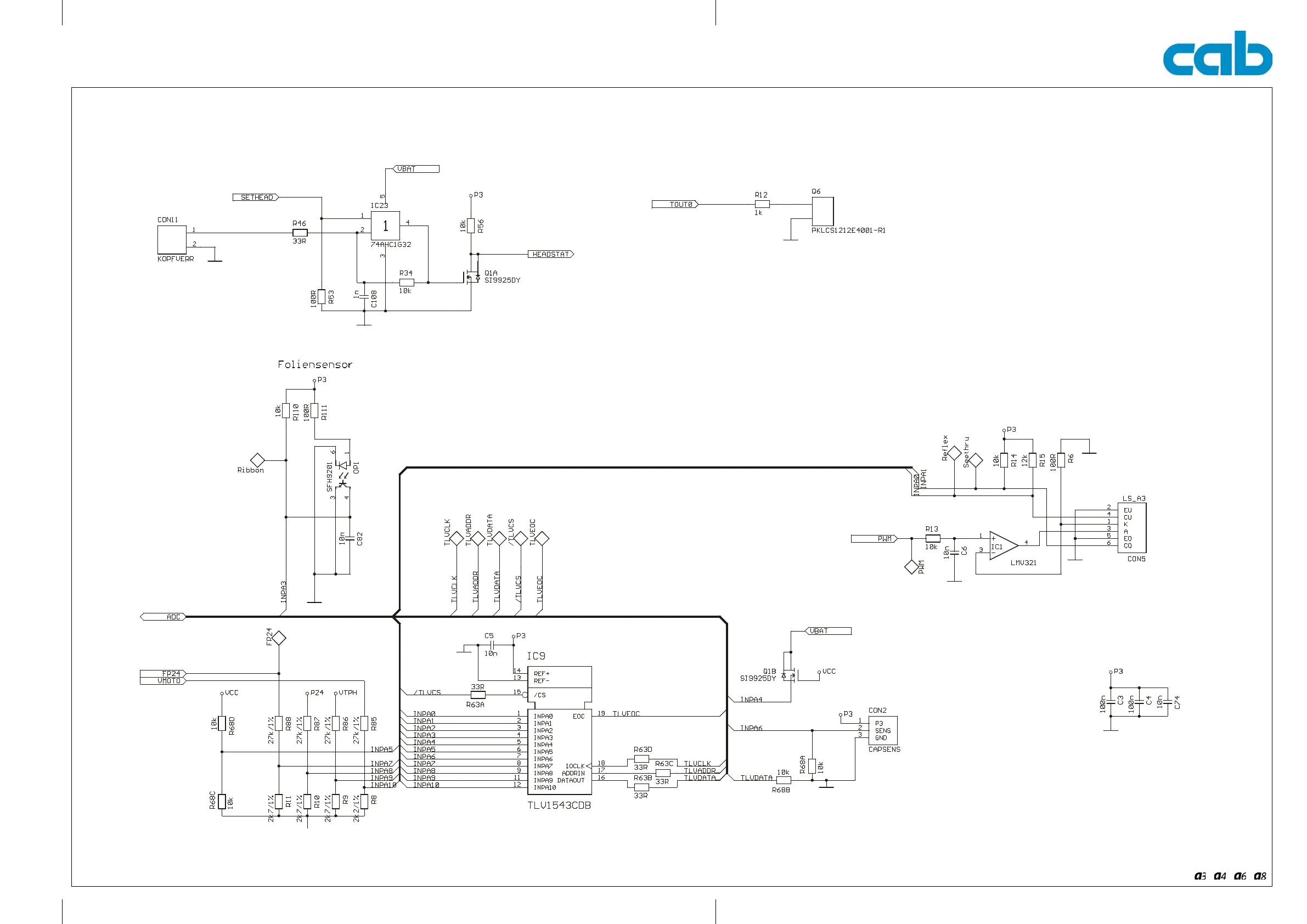
Anlage C: Stromlaufplan Leiterplatte CPU A4, A6, A8 : Sensoren, AD-Wandler, Druckkopfverriegelung
Appendix C: Circuit Diagram Mainboard A4, A6, A8 (PCB CPU) : Sensors, AD Converter, Printhead Lock Sensor

Table of Contents

Related product manuals