EasyManua.ls Logo

CAB A6 - Page 108

Default Icon
119 pages
Print Icon
To Next Page IconTo Next Page
To Next Page IconTo Next Page
To Previous Page IconTo Previous Page
To Previous Page IconTo Previous Page
Loading...
Index 1 04-09-04
C-16
Serviceanleitung / Service Manual / / /
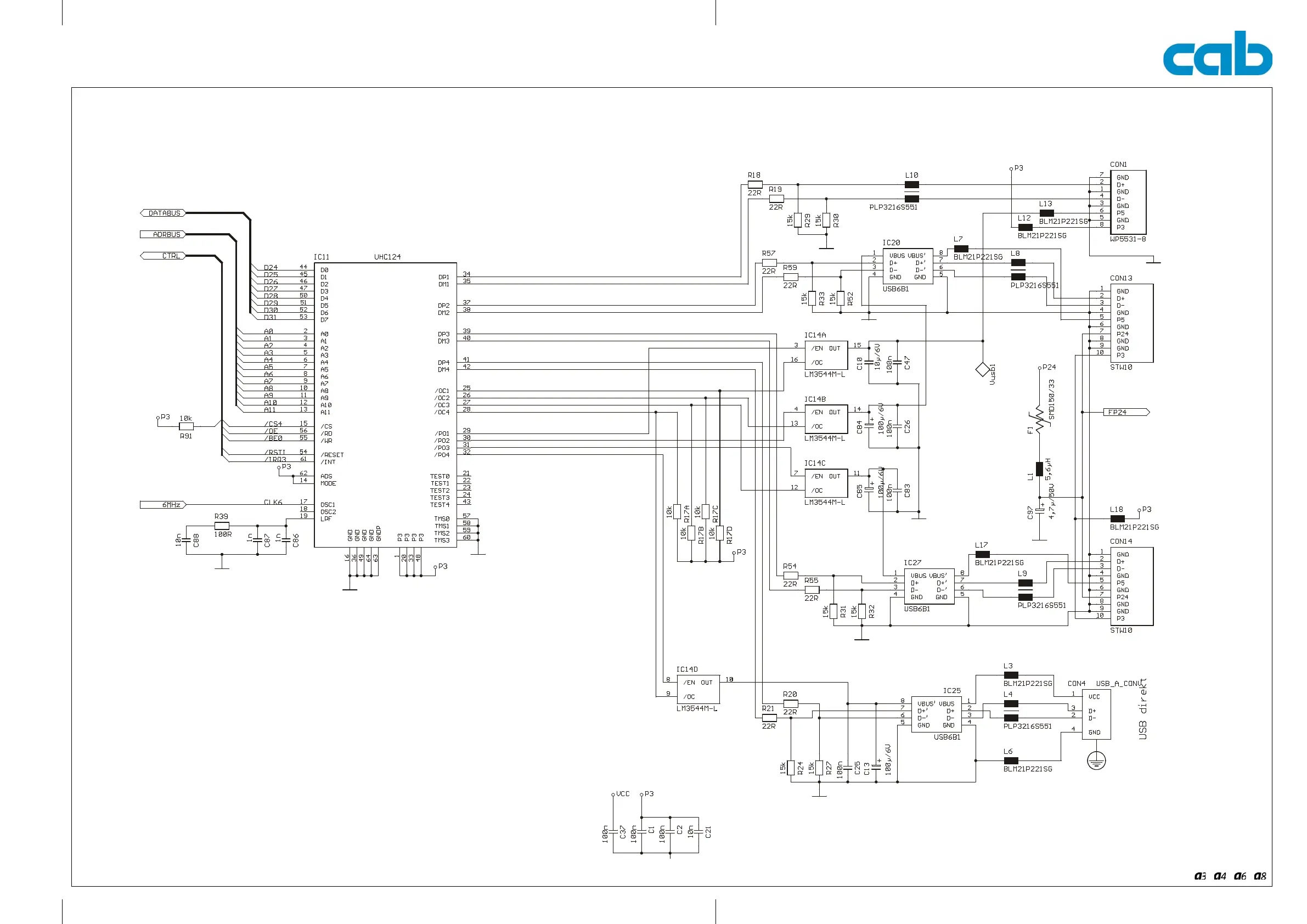
Anlage C: Stromlaufplan Leiterplatte CPU A4, A6, A8 : USB-Host
Appendix C: Circuit Diagram Mainboard A4, A6, A8 (PCB CPU) : USB-Host

Table of Contents

Related product manuals