EasyManua.ls Logo

Cadac J-Type - Page 18

Cadac J-Type
200 pages
Print Icon
To Next Page IconTo Next Page
To Next Page IconTo Next Page
To Previous Page IconTo Previous Page
To Previous Page IconTo Previous Page
Loading...
1-10 Connecting the mixer systems
J-Type Revision J2005-2
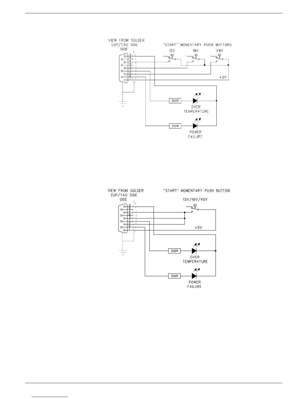
Great care must be taken when wiring the switch(es) to ensure that no short-circuits
can occur between any two power supply units.
FIG 1-11. Remote start of
PSU 8400 with multiple
switches.
FIG 1-12. Remote start of PSU
8400 with a single switch