EasyManua.ls Logo

Calorex aa300 - Page 23

Calorex aa300
46 pages
Print Icon
To Next Page IconTo Next Page
To Next Page IconTo Next Page
To Previous Page IconTo Previous Page
To Previous Page IconTo Previous Page
Loading...
Page 21
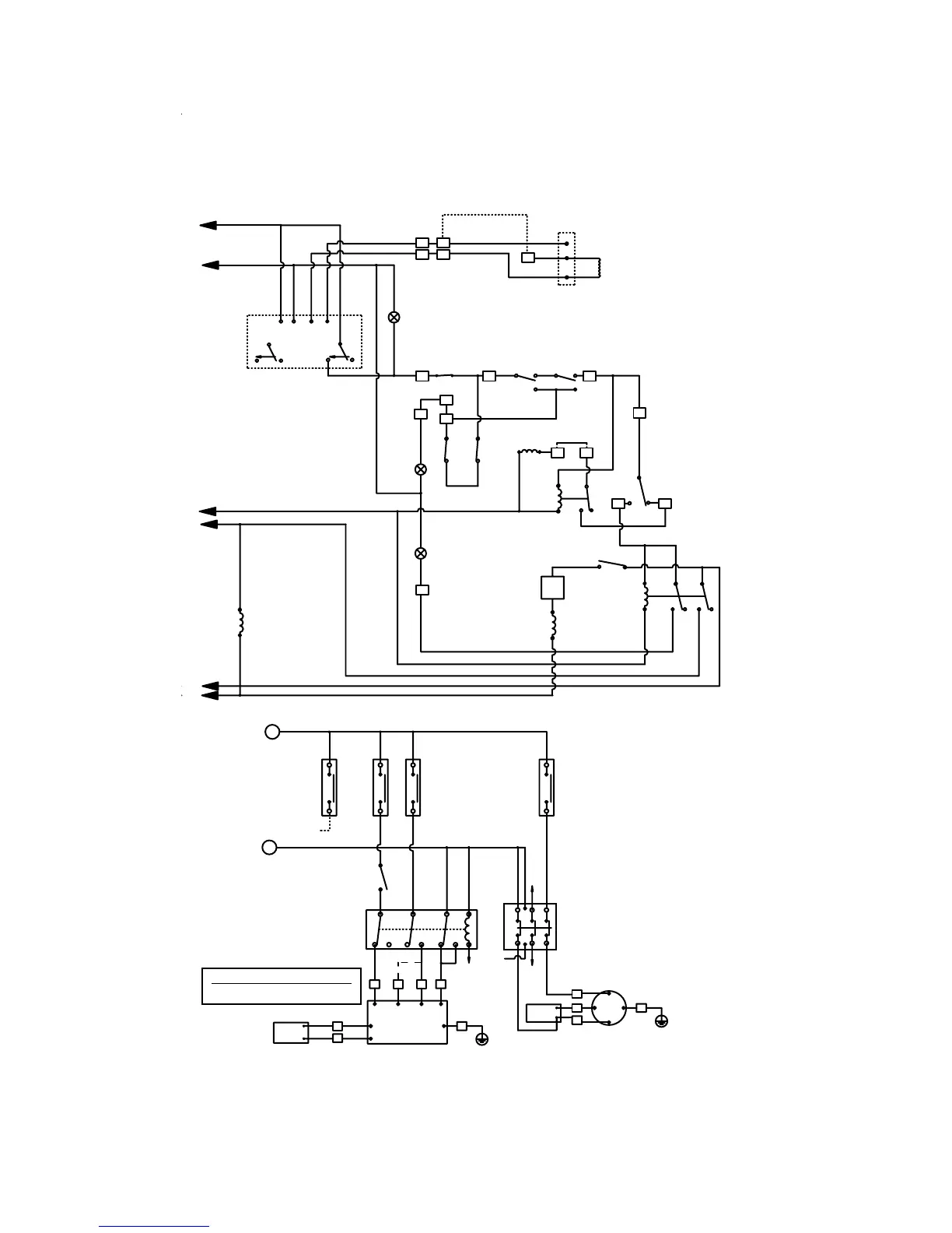
ELEC CONTROL & POWER CIRCUIT ‘AA+LPHW’ CONTINUED
LINK IF REMOTE CONTROL FITTED
H
SEE BELOW
RE1
9
3
6
96
R4
1011
SEE BELOW
R2
CONTACTOR
2
8
R2
N/C
2
HUMIDITY
STAT'
A2
A1
RISING
OUT2 OUT1
TIMER
COMPRESSOR
HP
SWITCH
LP
SWITCH
AIR SENSOR R/H
0-10VDC
SUPPLY 12V
GRND 0V
89
RISING
TERMINALS VARY
WITH MANUFACTURER
5
4
6
1
3
DEHUM
LAMP
R3
10
11
SOFT START
IF FITTED
7
1
C
L
DEFROST
STAT
A
B
FAN RELAY
10
11
CCH
H
L
L
OR LINK
+
-
D
1
7
R4
N/C
FAULT LAMP
4
DEFROST LAMP
7
1
4
R4
10- 11+
7
1
R5
R01
R02
R03
R04
R05
R06
D11
D10
D20
D21
D22
P6
P5
P7
25
26
27
23
28
24
30
31 29
18
79
L
HIGHLOW
SEE ABOVE
SEE ABOVE
SEE ABOVE
RE1
8
FAN CIRCUIT
BREAKER
HIGH SPEED
2
1
3 5
2
4 6
COMPRESSOR
CIRCUIT
BREAKER
CONTROL CIRCUIT
FAN MOTOR
RUN
CAPACITOR
N
LN
POWER CIRCUIT SINGLE PHASE
COMPRESSOR
CONTACTOR
A1
A2
TIMER
L
153
B
A
6
FAN
RELAY
16 19
C
S
R
COMPRESSOR
12
13
14
R1
9
6
17
MED
L
FAN
CAPACITOR
20
21
SPEEDS
(SEE NOTE 3)
15
22
'NON F' MACHINE APPLICATIONS
MOVE WHITE/BLACK WIRE FROM
TERMINAL 18 TO TERMINAL 17
FAN CIRCUIT
BREAKER
LOW SPEED
CONTROL
CIRCUIT
BREAKER
2A

Related product manuals