EasyManua.ls Logo

Calorex Pro-Pac 45 - Page 21

Calorex Pro-Pac 45
156 pages
Print Icon
To Next Page IconTo Next Page
To Next Page IconTo Next Page
To Previous Page IconTo Previous Page
To Previous Page IconTo Previous Page
Loading...
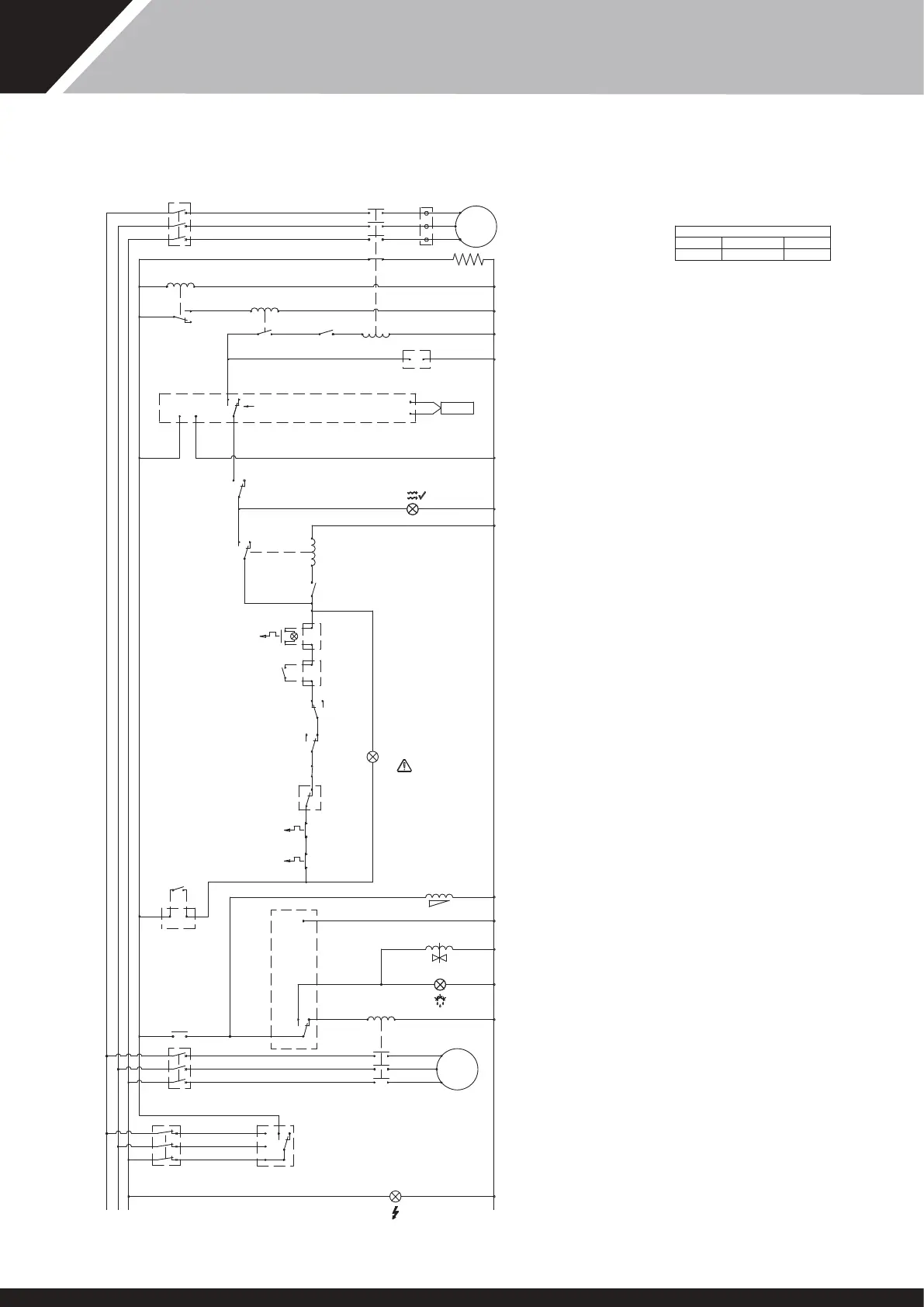
CONTROL
2.5A
MCB SETTINGS
FAN
0.8A
COMPRESSOR
22.9A
MCB CONTACTS / MCB ALARM CONTACTS / MCB AUX CONTACTS SHOWN WITH
CIRCUIT BREAKER MANUALLY SWITCHED TO THE ON CONDITION
WATER FLOW SWITCH CONTACTS SHOWN WITH WATER FLOW AT MAXIMUM
RATE
ALL OTHER CONTACTS SHOWN IN DE-ENERGISED STATE BUT WITH
REFRIGERATION CIRCUIT FULLY CHARGED
WHERE CONTACTS ARE MARKED (N/O) OR (N/C) ON CIRCUIT DIAGRAM ABOVE
CONDITIONS APPLY
COMPRESSOR
CONTACTOR
COMP
CIRCUIT BREAKER
TRIP / OFF = BREAK CONTACT
5
3
1
6 (N/C)
4 (N/C)
2 (N/C)
FAN MCB AUX BLK : ALARM
TRIP = BREAK CONTACT
COMPRESSOR MCB AUX BLK : ALARM
TRIP = BREAK CONTACT
95
96 (N/C)
95
96 (N/C)
INTERLOCK
TERMINALS
10 11
(NC)
TB
TB
FAN THERMAL CUT OUT
TRIP / OFF = BREAK CONTACT
FAN CIRCUIT BREAKER
5
3
1
6 (N/C)
4 (N/C)
2 (N/C)
6 (N/C)
4 (N/C)
2 (N/C)
CONTROL CIRCUIT BREAKER
5
3
1
TRIP / OFF = BREAK CONTACT
L3 L2
L1
PHASE ROTATION
RELAY
L3
L2
L1
14 (N/O)
63 64 (N/O)
COMP
CONTACTOR
AUX BLOCK
MAINS LIGHT
NEUTRAL
12 (N/C)
11 (COM)
(COM) 1
FAN CONTACTOR
5
3
1
6 (N/O)
4 (N/O)
2 (N/O)
FAN
4
(N/C)
3 (N/O)
DEFROST LIGHT
REVERSING VALVE
2 (N)
LIQUID LINE SHUT
OFF VALVE
(N/C)
C (COM)
H (N/C)(N/O) L
C (COM)
H (N/O)
(N/C) L
FAULT LIGHT
COMPRESSOR MOTOR
PROTECTOR
HP SWITCH
(BREAKS TO 'L' ON
PRESSURE RISING)
LP SWITCH
(BREAKS TO 'H' ON
PRESSURE FALLING)
STARTER OR EXTERNAL
FLOW SWITCH
SOFT START THERMAL
O/LOAD &
FAULT LAMP IF FITTED
(N/O)
WATER FLOW SWITCH
A1 A2
A
B
RELAY (R1)
WATER FLOW OK LIGHT
(COM) 1
3 (N/C) [STANDBY]
[RUN] (N/O) 2
STANDBY SWITCH
(COM) 6
4 (N/O)
2 (N)
1 (L)
OUT 1
MAKES 4 TO 6 ON TEMP FALLING
11
10
SENSOR
DIGITAL STAT (1 STAGE)
SMART CLOCK FEED TERMINALS
89
5
3
1
6 (N/O)
4 (N/O)
2 (N/O)
COMPRESSOR
14 11 (N/O)
DELAY TIMER 2
21 22 (N/C)
A1
A2
(W1)
(V1)
(U1)
HEATER
(N/O)
5 (N/C)
(N/O) 4 1 (N/C)
(COM) 7
DEFROST STAT
RELAY (R2)
(COM) 15
18 (N/O)
16 (N/C)
DELAY TIMER 1 (12 HOUR)
A1
A2
A1 A2
INTERLOCK
TERMINALS
MAKES 1 TO 3 ON TEMP FALLING
SOFT START
IF FITTED
Pro-Pac 30BMY THREE PHASE (400V 3 N~ 50Hz)
21
SD566252 ISSUE 51

Table of Contents

Other manuals for Calorex Pro-Pac 45

Related product manuals