EasyManua.ls Logo

Calorex Pro-Pac 45 - Page 23

Calorex Pro-Pac 45
156 pages
Print Icon
To Next Page IconTo Next Page
To Next Page IconTo Next Page
To Previous Page IconTo Previous Page
To Previous Page IconTo Previous Page
Loading...
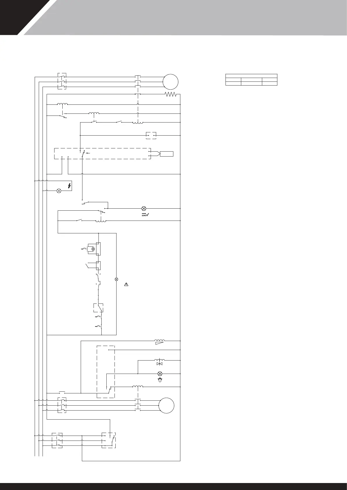
MCB SETTINGS
CONTROL
COMPRESSOR
FAN
2.5A 3.3A46.8A
L3 L2 L1
PHASE
ROTATION
RELAY
L3
L2
L1
14 (N/O)
13
14
(N/O)
COMP
CONTACTOR
AUX
12 (N/C)
11 (COM)
(COM) 1
CONTACTOR
5
3
1
6 (N/O)
4 (N/O)
2 (N/O)
FAN
4 (N/C)
3 (N/O)
DEFROST LIGHT
REVERSING
VALVE
2 (N)
LIQUID LINE SHUT OFF VALVE
A1 A2
(COM) 6
4 (N/O)
2 (N)
1 (L)
OUT
1 MAKES 4 TO 6 ON TEMP FALLING
11
10
SENSOR
DIGITAL STAT (1 STAGE)
SMART CLOCK
FEED TERMINALS
78
5
3
1
6 (N/O)
4 (N/O)
2 (N/O)
COMP
14 11 (N/O)
DELAY TIMER
2
21 22 (N/C)
A1
A2
CONTACTOR
(W1)
(V1)
(U1)
HEATER
(N/O)
5 (N/C)
DEFROST STAT
RELAY (R2)
(COM) 15
18 (N/O)
16 (N/C)
DELAY TIMER 1
(12 HOUR)
A1 A2
A1 A2
MAKES 1 TO 3 ON
TEMP FALLING
(N/C)
(N/C)
H (N/O)
(N/O) L H (N/C)
(N/C)
(N/C)
TK
TK
FAN THERMAL
CUT OUT
95
96
SWITCH
STARTER
OR
INTERLOCK
TERMINALS
FLOW
THERMAL
O/LOAD &
LIGHT IF
FITTED
FAULT
EXTERNAL
SOFT
START
LP SWITCH
(BREAKS TO H ON
PRESSURE FALLING)
95
96
C
(COM)
C (COM)
(N/C) L
FAULT LIGHT
COMPRESSOR
MOTOR
PROTECTOR
HP SWITCH
(BREAKS TO L ON
PRESSURE RISING)
(N/O)
WATER FLOW
SWITCH
A B
RELAY (R1)
FLOW OK LIGHT
1 (COM)
[STANDBY] (N/C) 3
[RUN] (N/O) 2
STANDBY
SWITCH
(N/O) 4
1 (N/C)
(COM) 7
MAINS LIGHT
COMP CIRCUIT BREAKER
TRIP / OFF = BREAK CONTACT
5
3
1
6 (N/C)
4 (N/C)
2 (N/C)
FAN MCB AUX
BLOCK : ALARM
TRIP = BREAK CONTACT
COMPRESSOR MCB AUX
BLOCK : ALARM
TRIP = BREAK CONTACT
TRIP / OFF = BREAK CONTACT
FAN CIRCUIT BREAKER
5
3
1
6 (N/C)
4 (N/C)
2 (N/C)
6 (N/C)
4 (N/C)
2 (N/C)
CONTROL CIRCUIT BREAKER
5
3
1
TRIP / OFF = BREAK CONTACT
MCB CONTACTS / MCB ALARM CONTACTS / MCB AUX CONTACTS SHOWN WITH CIRCUIT
BREAKER MANUALLY SWITCHED TO THE ON CONDITION
WATER FLOW SWITCH CONTACTS SHOWN WITH WATER FLOW AT MAXIMUM RATE
ALL OTHER CONTACTS SHOWN IN DE-ENERGISED STATE BUT WITH REFRIGERATION
CIRCUIT FULLY CHARGED
WHERE CONTACTS ARE MARKED (N/O) OR (N/C) ON CIRCUIT DIAGRAM ABOVE
CONDITIONS APPLY
Pro-Pac 45EMY THREE PHASE (220V 3 ~ 60Hz)
23
SD566252 ISSUE 51

Table of Contents

Other manuals for Calorex Pro-Pac 45

Related product manuals