EasyManua.ls Logo

Calorex Pro-Pac 45 - Page 74

Calorex Pro-Pac 45
156 pages
Print Icon
To Next Page IconTo Next Page
To Next Page IconTo Next Page
To Previous Page IconTo Previous Page
To Previous Page IconTo Previous Page
Loading...
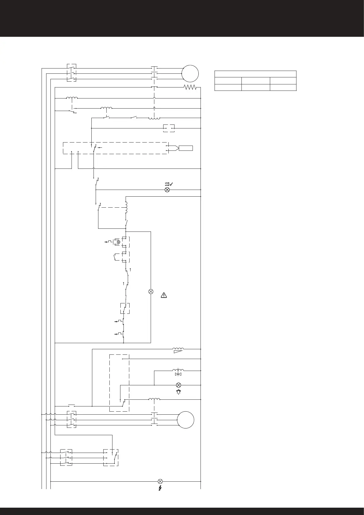
VOYANT DEBIT D'EAU
BORNES D'ALIMENTATION
HORLOGE
TEMPORISATION 1
12 HEURES
VOYANT ALIMENTATION
DISJONCTEUR
CIRCUIT
ELECTRIQUE
MONITEUR DE
PHASES
RELAIS (R2)
CONTACTEUR
VENTILATEUR
TEMPORISATION 2
6 MIN
THERMOSTAT
DEGIVRAGE
VOYANT DEGIVRAGE
PRESSOSTAT BP
VOYANT
DEFAUT
BORNES
D'INTERVERROUILLAGE
COMMUTATEUR
VEILLE
CONTACTEUR
COMP1 AUX
DISJONCTEUR
VENTILATEUR
DEMARREUR OU
CONTACTEUR DE DEBIT
(EXTERNE)
DEMARRAGE AMORTI
DISJONCTEUR
THERMIQUE
SI INSTALLE
CONTACT
DEBIT D'EAU
INTERNE
RELAIS (R1)
NEUTRE
SONDE
RECHAUFFEUR
COMPRESSEUR
CONTACT DEFAUT
VENTILATEUR
PRESSOSTAT HP
CONTACT DEFAUT
COMPRESSEUR
ELECTROVANNE
(ARRET LIGNE LIQUIDE)
THERMOSTAT
DISJONCTEUR
COMPRESSEUR
SOUPAPE D'INVERSION
PROTECTION
MOTEUR
COMPRESSEUR
CONTACTEUR
CIRCUIT
ELECTRIQUE
2.5A
VALEURS DISJONCTEUR
COMPRESSEUR VENTILATEUR
23.8A
1.1A
5
3
1
6 (N/F)
4 (N/F)
2 (N/F)
(NF)
TK
TK
PROTECTION
THERMIQUE
VENTILATEUR
5
3
1
6 (N/F)
4 (N/F)
2 (N/F)
6 (N/F)
4 (N/F)
2 (N/F)
5
3
1
L3 L2
L1
L3
L2
L1
14 (N/O)
63 64 (N/O)
12 (N/F)
11 (COM)
(COM) 1
5
3
1
6 (N/O)
4 (N/O)
2 (N/O)
4 (N/F)
3 (N/O)
2 (N)
95
96 (N/F)
95
96 (N/F)
(N/F)
C (COM)
H (N/F)(N/O) L
C (COM)
H (N/O)
(N/F) L
(SE COUPE A 'L' EN
HAUTE PRESSION)
(SE COUPE A 'H' EN
BASSE PRESSION)
(N/O)
A1 A2
A
B
(COM) 1
3 (N/C) [VEILLE]
[MARCHE] (N/O) 2
(COM) 6
4 (N/O)
2 (N)
1 (L)
OUT 1
CONTACT 4 ET 6 EN BASSE
TEMPERATURE
11
10
89
5
3
1
6 (N/F)
4 (N/F)
2 (N/F)
COMP
14 11 (N/O)
21
22 (N/F)
A1
A2
(W1)
(V1)
(U1)
(N/O)
5 (N/F)
(N/O) 4 1 (N/C)
(COM) 7
(COM) 15
18 (N/O)
16 (N/F)
A1
A2
A1 A2
CONTACT 1 ET 3 EN BASSE
TEMPERATURE
PROPAC 45BMY TRIPHASEE (400V ~ 3 N 50Hz)
22
SD566252 ISSUE 51
SYSTEME PRO-PAC MANUEL D’INSTALLATION

Table of Contents

Other manuals for Calorex Pro-Pac 45

Related product manuals