EasyManua.ls Logo

Camus Hydronics DMH-081 - Part 13 Piping Diagrams

Camus Hydronics DMH-081
82 pages
Print Icon
To Next Page IconTo Next Page
To Next Page IconTo Next Page
To Previous Page IconTo Previous Page
To Previous Page IconTo Previous Page
Loading...
60
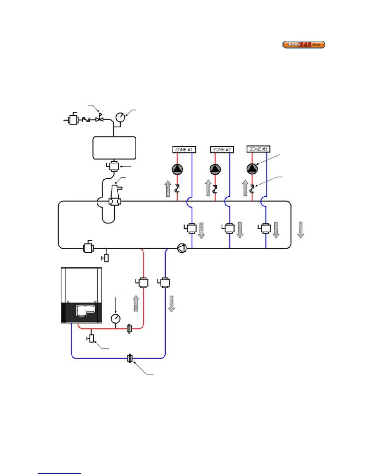
PART 13 PIPING DIAGRAMS
Figure 31: Single Boiler Hydronic Heating Zoned Piping Arrangement
Note:
1) Size main header to minimize induced flow
through zones
2) Separate boiler loop as shown is recommended
for system piping greater than 50 equivalent
feet.
Pressure Reducing
Valve
Pressure Gauge
Ball Valve
Air
Separator
Zone
Circulator
Flow Check
Valve
DynaMax HS
Boiler
Drain
Union
Temperature
/ Pressure
Gauge
Expansion
Tank

Table of Contents

Related product manuals