EasyManua.ls Logo

Carrier BT30RF- EXPR - Page 23

Carrier BT30RF- EXPR
111 pages
Print Icon
To Next Page IconTo Next Page
To Next Page IconTo Next Page
To Previous Page IconTo Previous Page
To Previous Page IconTo Previous Page
Loading...
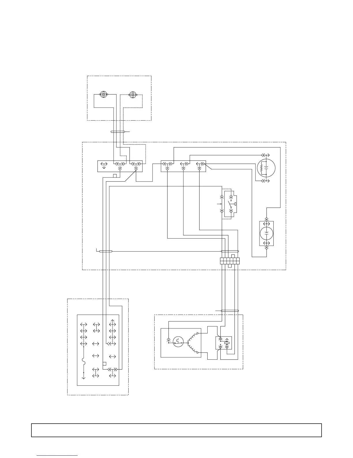
COMPRESSOR WIRING DIAGRAM – 00-0071-00
1
1
2
2
3
3
4
4
5
5
6
6
2
3
4
1
START CAP
AMERICOLD COMPRESSOR ASSY
S
C
O.L.
R
HARNESS- COMPRESSOR GR-01
HARNESS- START
COMPRESSOR
RELAY
FAN #1
FAN #2
(OPTIONAL)
TERM
I
NAL BOAR
D
CONDENSOR
F
CONDENSOR
(OPTIONAL)
PRESSURE SWITCH
5 AMP-125/250V
TERMINAL BLOCK
BK
RD
BEPE
BN
OE
WEYW
BE
RD
WE
OE
220V, 50 HZ
115V, 60 HZ
BE
RD
WE
PIN
PIN
OE
ELECTRICAL BOX ASSY
CONDENSOR FAN ASSY
CONDENSOR
NOTES-
2) F FORWARD ROTATION CONDENSOR FAN
(NORMAL OPERATION)
1) STANDARD CONNECTIONS SHOWN WITH SOLID LINES;
OPTIONAL CONNECTIONS SHOWN WITH DASHED LINES.
F
F
B
K
O
R
W
E
B
K
OR
WE
B
K
BK
RUN CAP
FAN LEADS
B
K
B
K
F
O
E
W
E
WE
START BOX ASSY
B
K
OE
GR-01
JUMPER (REMOVE WHEN
INSTALLING PRESSURE SWITCH)
B
K
B
K
B
K
22 WIRING DIAGRAM

Related product manuals