EasyManua.ls Logo

Carrier BT30RF- EXPR - Page 24

Carrier BT30RF- EXPR
111 pages
Print Icon
To Next Page IconTo Next Page
To Next Page IconTo Next Page
To Previous Page IconTo Previous Page
To Previous Page IconTo Previous Page
Loading...
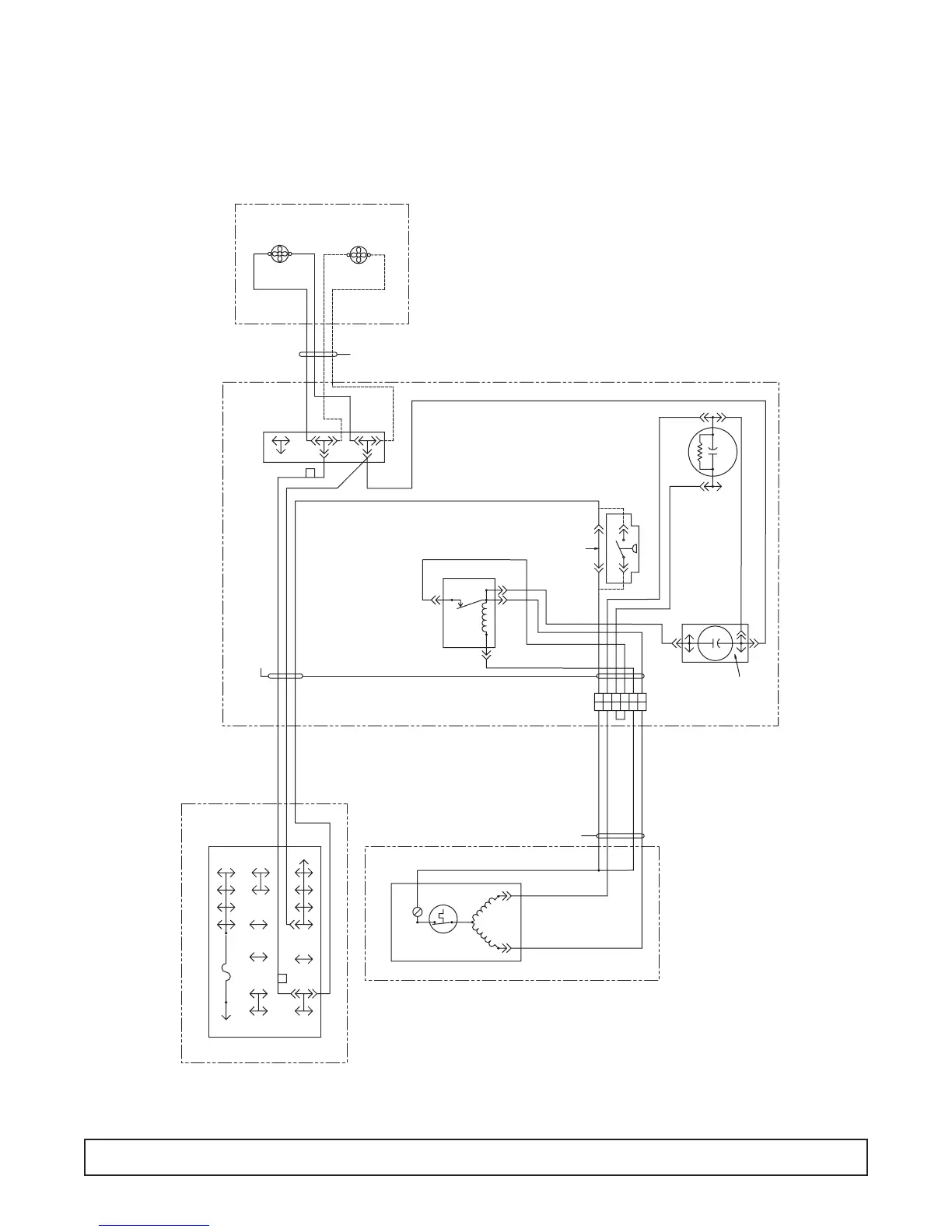
COMPRESSOR WIRING DIAGRAM – 00-0084-00
1
1
2
2
3
3
4
4
5
5
6
6
START CAP
COPELAND AST54
S
C
O.L.
R
HARNESS- COMPRESSOR GR-05
HARNESS- START
COMPRESSOR
FAN #1
FAN #2
(OPTIONAL)
TERMINAL BOA
R
D
CONDENSOR
F
CONDENSOR
(OPTIONAL)
PRESSURE SWITCH
5 AMP-125/250V
TERMINAL BLOCK
BK
RD
BEPE
BN
OE
WEYW
OE
220V, 50 HZ
115V, 60 HZ
BE
WE
OE
ELECTRICAL BOX ASSY
CONDENSOR FAN ASSY
CONDENSOR
NOTES-
2) F FORWARD ROTATION CONDENSOR FAN
(NORMAL OPERATION)
1) STANDARD CONNECTIONS SHOWN WITH SOLID LINES;
OPTIONAL CONNECTIONS SHOWN WITH DASHED LINES.
F
F
B
K
OR
WE
B
K
O
R
W
E
B
K
BK
5
1
Z
RELAY
FAN LEADS
F
O
E
W
E
WE
START BOX ASSY
OE
GR-02
JUMPER (REMOVE WHEN
INSTALLING PRESSURE SWITCH)
COMPRESSOR ASSY
115V, 60 HZ
220V, 50 HZ
OE
WE
BE
RD
BN
YW
RUN CAP
BE
WE
WE
IDENTIF
IED
TERMIN
AL
BN
WE
WIRING DIAGRAM 23

Related product manuals