EasyManua.ls Logo

Carrier BT30RF- EXPR - Page 28

Carrier BT30RF- EXPR
111 pages
Print Icon
To Next Page IconTo Next Page
To Next Page IconTo Next Page
To Previous Page IconTo Previous Page
To Previous Page IconTo Previous Page
Loading...
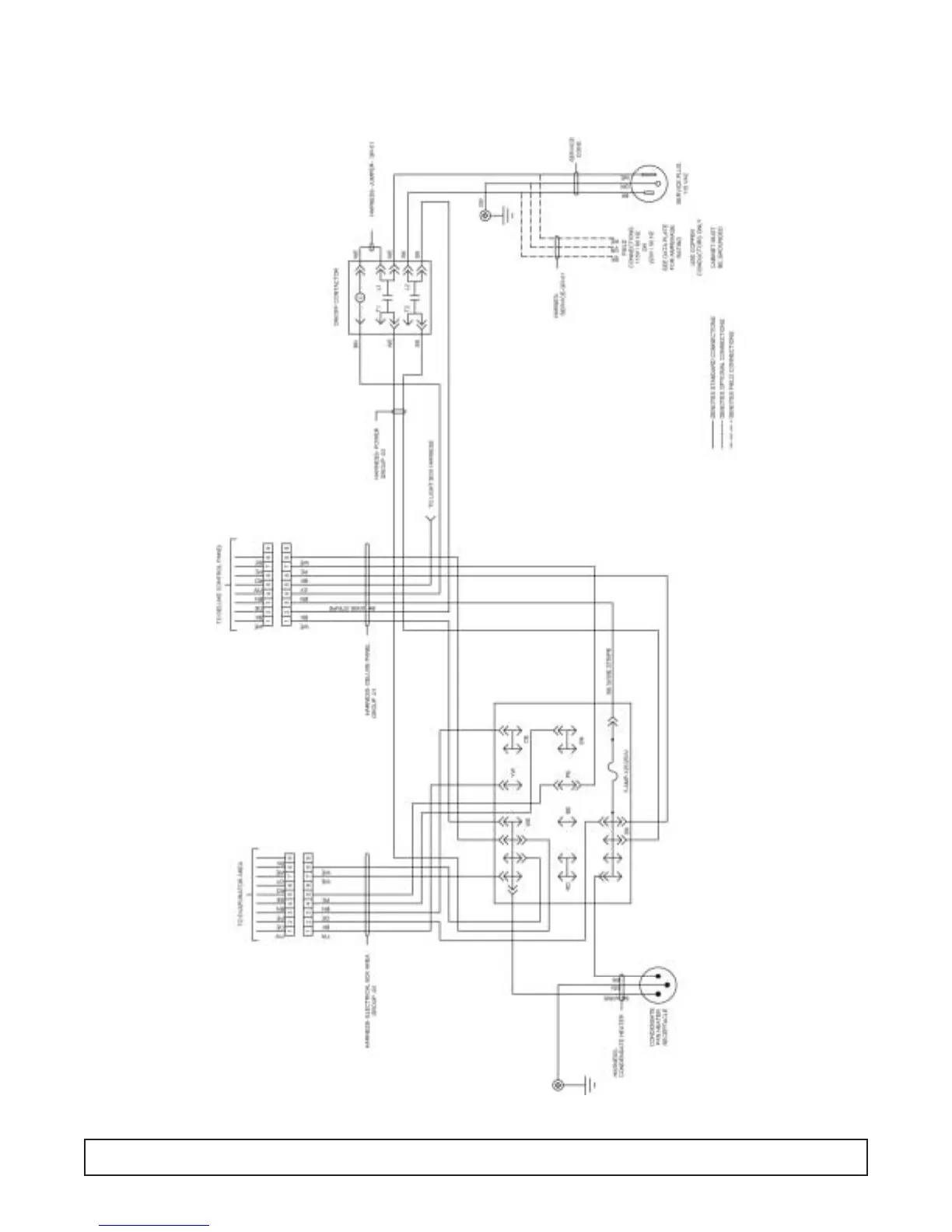
ELECTRICAL BOX WIRING DIAGRAM – 00-0064-00
WIRING DIAGRAM 27

Related product manuals