EasyManua.ls Logo

Carrier BT30RF- EXPR - Page 29

Carrier BT30RF- EXPR
111 pages
Print Icon
To Next Page IconTo Next Page
To Next Page IconTo Next Page
To Previous Page IconTo Previous Page
To Previous Page IconTo Previous Page
Loading...
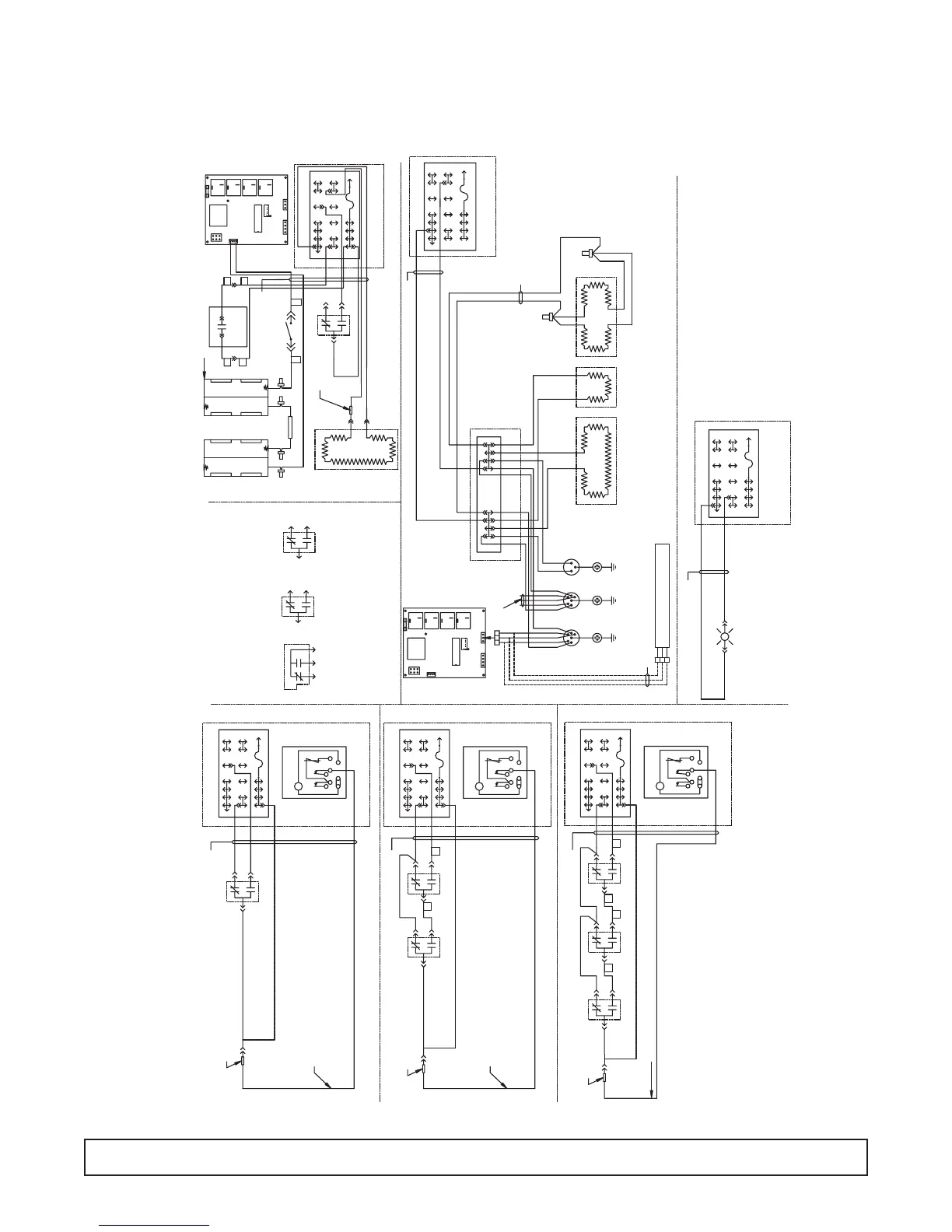
RACEWAY WIRING DIAGRAM – 00-0061-*
L
INCANDESCENT LIGHT
DOOR 1
DOOR RECEPTACLE
(OPTIONAL)
PERIMETER HEATER
(OPTIONAL)
WE
GN
GLASS HEAT
WE
WE
TERMINAL BLOCK
(OPTIONAL)
X34
12 N
TIME CLOCK
OE
BK
YW
RD
TERMINAL BLOCK
RACEWAY
TERMINAL BLOCK
RD
5 AMP-125/250V
BE
BK
PE BN
WE
YW
OE
RD
5 AMP-125/250V
BK
WE
BE
YW
PE
OE
BN
RD
5 AMP-125/250V
BK
WE
BE
YW
PE
OE
BN
ELECTRICAL BOX ASSY
OE
BLACK TAPE
LOW TEMP MODELS
MED. TEMP & INCUBATOR MODELS
HARNESS- DOOR SWITCH GROUP -01
ELECTRICAL BOX ASSY
PE
5 AMP-125/250V
N
TERMINAL BLOCK
TIME CLOCK
43
1
OE
2
HARNESS- DOOR SWITCH GROUP -02
BLACK TAPE
OE
MED. TEMP MODELS
LOW TEMP MODELS
YW
DOOR 2
RD
YW
RD
BK
BE
WE
X
OE
BN
YW
TIME CLOCK
TERMINAL BLOCK
N
5 AMP-125/250V
PE
ELECTRICAL BOX ASSY
HARNESS- DOOR SWITCH GROUP -03
BLACK TAPE
OE
LOW TEMP MODELS
MED. TEMP MODELS
OE
12
34
YW
DOOR 3
RD
RD
BK
BE
WE
X
BN
YW
OE
BK
DOOR 1
RD
DOOR 2
YW
RD
BK
DOOR 1
RD
YW
1 DOOR
2 DOOR
3 DOOR
OPTIONAL DOOR SWITCH
OPTIONAL DOOR SWITCHES
OPTIONAL DOOR SWITCHES
ELECTRICAL BOX ASSY
OPTIONAL INCANDESCENT INTERIOR LIGHT
HARNESS- INCANDESCENT LIGHT
WE RD
ELECTRICAL BOX ASSY
2 & 3 DOOR MODELS
MULLION HEATER
(OPTIONAL)
CABINETS ONLY)
SHORT MULLION HEATER
(QUAD-DOOR HARDENING
BN
BN
BN
REMOVE "OE" WIRE ON MED. TEMP & INCUBATOR MODELS
REMOVE "OE" WIRE ON MED. TEMP MODELS
REMOVE "OE" WIRE ON MED. TEMP MODELS
WE
WE
BN
BN
BK
BK
BN
WE
WE
WE
C
NO
C
NO
NO
C
ALL SOLID DOOR VERTICAL MODELS
HARNESS- ANTI-SWEAT HEATER
HARNESS- SHORT MULLION HEATER
OR
HARNESS- HARDENING CABINET LIGHT
2
1
3
3
1
2
McGILL
CARLINGSWITCH
DOOR SWITCH TERMINAL NUMBERS
LOW TEMP "PULSE" MODELS
LOW TEMP "PULSE" MODELS
LOW TEMP "PULSE" MODELS
OPTIONAL ANTI-SWEAT HTRS
ALL VERTICAL MODELS
GN
BK
GN
RD
BN
WE
GN
BK
GN
RD
WE
BN
CUT
WIRES
PULSE
MODELS
W/0 DISPLAY
OPTIONAL HEATED DOOR
"PULSE"
WE
BN
MODELS
NON-PULSE
W/DISPLAY
PULSE
MODELS
DOOR DOOR
3
12
ARCOELECTRIC
C
NO
NC
(RED)
PULSE DISPLAY IN SOLID DR FRT PANEL
(OPTIONAL)
HARNESS- DISPLAY
TERMINAL BLOCK
YW
RD
BK
RD
WE
BE
OE
BNPE
5 AMP-125/250V
YW
PERIMETER HEATER
DOOR SWITCH
BK
BK
WE
WE
BN
ELECTRICAL BOX ASSY
UNDER COUNTER MODELS
VERTICAL MODELS
VERTICAL MODELS
VERTICAL MODELS
BLACK TAPE
RD
+
-
+
-
BK
RD
BK
HARNESS- DOOR SWITCH
GROUP- 04
+
-
BK
RD
BATTERY BACKUP
RECTIFIER
PUSHBUTTON
SWITCH
BK
RD
01
01
02
03
03
02
T
T
T
*GR-01
*GR-02
*GR-03
*GR-05
*GR-04
1 324 213
DISPLAY
1 2 3 4 5 6 7 8
N
O
34
6
5
1
2
12
3
321
*GR-06
DISPLAY
1423 123
1 2 3 4 5 6 7 8
O
N
5
6
4
2
1
3
28 WIRING DIAGRAM

Related product manuals